Вы здесь
Привод воздушной заслонки Siemens GCA321.1E
Привод воздушной заслонки Siemens GCA321.1E с электромотором для 2-х позиционного, 3-х точечного и модулирующего управления, номинальный крутящий момент 18 Нм, с возвратной пружиной, самоцентрирующийся адаптер, механическая настройка угла поворота от 0 до 90°, встроенный кабель 0.9 м для электрического подключения.
Имеются специальные версии приводов с настраиваемой начальной точкой и углом поворота, индикатором положения, потенциометром обратной связи и настраиваемыми доп. контактами для реализации дополнительных функций.
Применение
- Для воздушных заслонок, площадью до 3 м2, в зависимости от механической конструкции и трения;
- Для вент-установок, воздушные заслонки которых, в целях безопасности должны перемещаться в нулевое положение при отключении электропитания;
- Для заслонок, которые оборудуются сдвоенными приводами на одном штоке (монтаж тандемом).
Технические характеристики
| Производитель | SIEMENS |
| Площадь заслонки | до 3 |
| Напряжение | AC 230 |
| Крутящий момент | 18 |
| Управляющий сигнал | 2-точечный |
| Угол поворота | 90° |
| Время позиционирования | Открытие с помощью мотора: 90 с, Закрытие с помощью пружины: 15 с |
| Потребляемая мощность | 8 BA / 6 Вт |
| Класс защиты | IP54 |
| Размеры (Ш х В х Г) | 100 x 300 x 75 мм |
| Доп. функции | Возвратная пружина |
Внутренние схемы
.png)
| Pin | Маркировка кабеля | Значение | |||
| Код | No. | Цвет | Аббревиатура | ||
| Приводы AC 24 V DC 24…48 V |
G | 1 | красный | RD | Сист. потенциал AC 24 V / DC 24…48 V |
| G0 | 2 | черный | BK | Сист. нейтраль | |
| Y1 | 6 | пурпур | VT | Сигнал AC 0 V / AC 24 V / DC 24…48 V, "откр" | |
| Y2 | 7 | оранжевый | OG | Сигнал AC 0 V / AC 24 V / DC 24…48 V, "закр" | |
| Y | 8 | серый | GY | Сигнал DC 0...10 V, 0...35 V | |
| U | 9 | розовый | PK | Индикация положения DC 0...10 V | |
| Приводы AC 230 V |
L | 3 | черный | BN | Фаза AC 230 V |
| N | 4 | голубой | BU | Нейтраль | |
| Доп. контакты | Q11 | S1 | серый/красный | GY RD | контакт A вход |
| Q12 | S2 | серый/голуб. | GY BU | контакт A NC | |
| Q14 | S3 | серый/розов | GY PK | контакт A NO | |
| Q21 | S4 | черный/красный | BK RD | контакт B input | |
| Q22 | S5 | черный/голуб | BK BU | контакт B NC | |
| Q24 | S6 | черный/розов | BK PK | контакт B NO | |
| Обр. связь потенциометр | a | P1 | белый/красный | WH RD | Потенциометр 0...100 % (P1-P2) |
| b | P2 | белый/голубой | WH BU | Потенциометр pick-off | |
| c | P3 | белый/розовый | WH PK | Потенциометр 100...0 % (P3-P2) | |
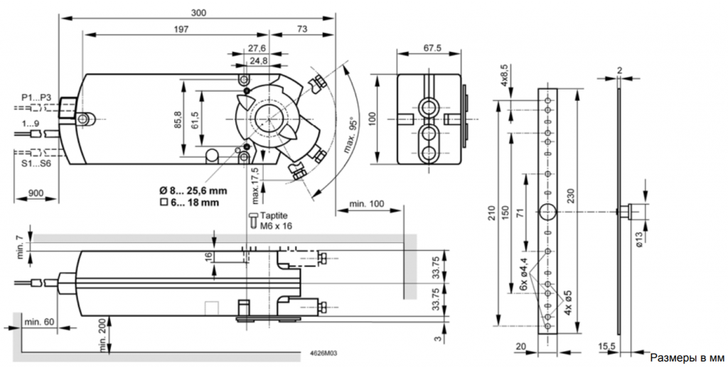
Габаритные размеры
.png)



