Вы здесь
Привод воздушной заслонки Siemens GDB146.1E
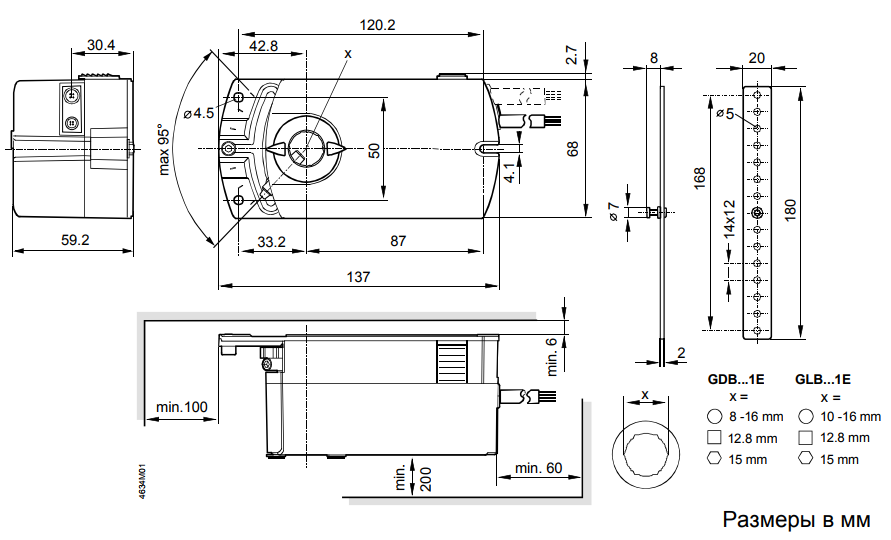
Привод воздушной заслонки Siemens GDB146.1E для 3-х точечного и модулированного управления, с номинальным вращательным моментом 5 Нм, механически регулируемым углом поворота в пределах от 0 до 90°, оборудованы соединительными кабелями длиной 0,9 м.
Выпускаются типы приводов с двумя дополнительными переключателями, потенциометром обратной связи, возможностью настройки точки старта и диапазона.
Применение
- Для заслонок до 0.8 м2;
- Используется с контроллерами с сигналом управления DC 0...10 В или с 3-х точечными контроллерами для воздушных заслонок или задвижек.
Технические характеристики
Производитель | SIEMENS |
Площадь заслонки | до 0.8 |
Напряжение | AC 24 DC 24 |
Крутящий момент | 5 |
Управляющий сигнал | 2-точечный 3-точечный |
Угол поворота | 90° |
Время позиционирования | 150 с |
Потребляемая мощность | 2.5 ВА, 1.1 Вт |
Длина кабеля | 0,9 м |
Класс защиты | IP54 |
Размеры (Ш х В х Г) | 68 x 137 x 59.5 мм |
Доп. функции | Дополнительные переключатели |
Внутренние схемы
Соединение | Кабель | Назначение | |||
Код | № | Цвет | Сокращ. | ||
Приводы AC 24 В |
G | 1 | Красный | RD | Потенциал системы AC 24 В |
G0 | 2 | Черный | BK | Нейтраль системы | |
Y1 | 6 | Пурпурный | VT | Позиц. сигнал AC0В,по часовой стрелке | |
Y2 | 7 | Оранжевый | OG | Позиц. сигнал AC0В, против час. стрелке | |
Y | 8 | Серый | GY | Позиц. сигнал DC 0..10 В, 0..35 В | |
U | 9 | Розовый | PK | Датчик положения DC 0...10 В | |
Приводы AC 230В |
N | 4 | Голубой | BU | Нейтральный кабель |
Y1 | 6 | Черный | BK | Управл. сигнал AC230В, по час. стрелке | |
Y2 | 7 | Белый | H | Управ. сигнал AC230В, против ч/с | |
Доп.переключат. | Q11 | S1 | Серый/красный | GY RD | Переключатель A Вход |
Q12 | S2 | серый/голубой | GY BU | Перекл. А Нормально замкнутый контакт | |
Q14 | S3 | серый/розовый | GY PK | Перекл. А Нормально открытый контакт | |
Q21 | S4 | черный/красный | BK RD | Перекл. В Вход | |
Q22 | S5 | черный /голубой | BK BU | Перекл. В Нормально замкнутый контакт | |
Q24 | S6 | черный/розовый | BK PK | Перекл. В Нормально открытый контакт | |
Потенциометр | a | P1 | белый /красный | WH RD | Потенциометр 0...100 % (P1-P2) |
b | P2 | белый /голубой | WH BU | Ползунок потенциометра | |
c | P3 | белый /розовый | WH PK | Потенциометр 100...0 % (P3-P2) |