Вы здесь
Привод воздушной заслонки Siemens GEB164.1E
Привод воздушной заслонки Siemens GEB164.1E с электромотором для 3-точечного и пропорционального регулирования, номинальный крутящий момент 15 Нм, самоцентрирующийся адаптер штока, механически настраиваемый диапазон 0...90°, с подключенными кабелями 0.9 м.
Имеются специальные типы приводов с регулируемыми вспомогательными переключателями для дополнительных функций.
Применение
- Для заслонок площадью до 3 м2, в зависимости от трения;
- Подходит для контроллеров с пропорциональным (DC 0...10 V) или трёх- позиционным управлением;
- Для заслонок с двумя приводами на одном валу заслонки (одновременный монтаж или Powerpack).
Технические характеристики
Производитель | SIEMENS |
Площадь заслонки | до 3 |
Напряжение | AC 24 |
Крутящий момент | 15 |
Управляющий сигнал | DC 0...10 V |
Угол поворота | 90° |
Время позиционирования | 150 с |
Потребляемая мощность | 5.5 Вт |
Класс защиты | IP54 |
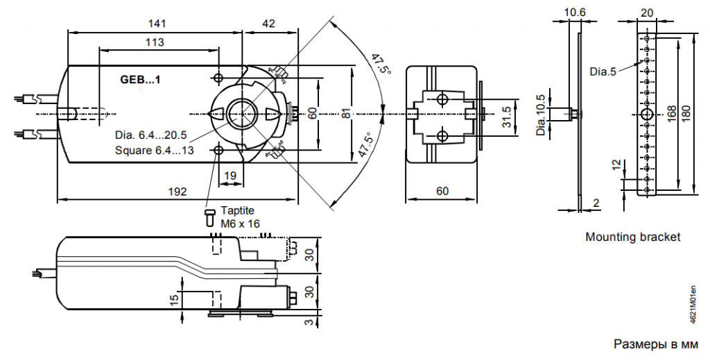
Размеры (Ш х В х Г) | 81 x 212 x 63 мм |
Доп. функции | Дополнительные переключатели Регулируемый управляющий сигнал |
Внутренние схемы
Пин | Кабель | Значение | |||
Код | No. | Цвет Сокращение | |||
Приводы AC 24 В | G | 1 | Красный | RD | AC 24 В |
G0 | 2 | Чёрный | BK | Нейтраль | |
Y1 | 6 | Фиолетовый | VT | Управляющий сигнал AC 0 В, по стрелке | |
Y2 | 7 | Оранжевый | OG | Управляющий сигнал AC 0 В, против стр. | |
Y | 8 | Серый | GY | Поз. сигнал DC 0...10 В, 2...10 В, 0...35 В | |
U | 9 | Розовый | PK | Индикация положения DC 0...10 В | |
Приводы AC 230V | N | 4 | Голубой | BU | Нейтраль |
Y1 | 6 | Чёрный | BK | Управляющий сигнал AC 230 В, по стрелке | |
Y2 | 7 | Белый | WH | Управляющий сигнал AC 230 В, против стр. | |
Переключатель | Q11 | S1 | серый/красн. | GY RD | Переключение входа A |
Q12 | S2 | серый/голуб. | GY BU | Переключение нормально закрытого A | |
Q14 | S3 | серый/роз. | GY PK | Переключение нормально открытого A | |
Q21 | S4 | чёрный/крас. | BK RD | Переключение входа В | |
Q22 | S5 | чёрн./голуб. | BK BU | Переключение нормально закрытого В | |
Q24 | S6 | чёрный/роз. | BK PK | Переключение нормально открытого В | |
Резистор | a | P1 | белый/крас. | WH RD | Резистор 0...100 % (P1-P2) |
b | P2 | белый/голуб. | WH BU | Датчик резистора | |
c | P3 | белый/роз. | WH PK | Резистор 100...0 % (P3-P2) |