Вы здесь
Привод воздушной заслонки Siemens GMA321.1E
Привод воздушной заслонки Siemens GMA321.1E с электромотором для двухпозиционного, трёхточечного и аналогового управления, с номинальным крутящим моментом 7 Нм, с возвратной пружиной, самоцентрирующимся адаптером вала, механически регулируемым шагом в пределах угла поворота 0...90°, с предварительно подключенными кабелями длиной 0,9 м.
Различные варианты исполнения с регулируемыми смещением и шагом для сигнала позиционирования, индикатором положения, потенциометром обратной связи и регулируемыми вспомогательными переключателями для дополнительных функций.
Применение
- Для площади заслонки до 1,5 м2, в зависимости от трения;
- В вентиляционных секциях, где приводы должны возвращаться в нулевое положение (аварийное) при отказе питания;
- Для заслонок с двумя приводами на одном валу (приводы либо блоки питания, смонтированные в тандеме).
Технические характеристики
Производитель | SIEMENS |
Площадь заслонки | до 1.5 |
Напряжение | AC 230 |
Крутящий момент | 7 |
Управляющий сигнал | 2-точечный |
Угол поворота | 90° |
Время позиционирования | Открытие при помощи мотора: 90 с , Закрытие при помощи пружины: 15 с |
Потребляемая мощность | 7 ВА, 4.5 Вт |
Класс защиты | IP54 |
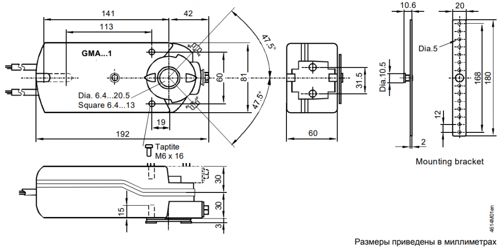
Размеры (Ш х В х Г) | 81 x 192 x 63 мм |
Доп. функции | Возвратная пружина |
Внутренние схемы
Соединение | Кабель | Значение | |||
Код | № | Цвет | Аббр. | ||
Приводы AC 24 В DC 24…48 В | G | 1 | Красный | RD | Системная шина AC 24 В / DC 24…48 В |
G0 | 2 | Черный | BK | Системная нейтраль | |
Y1 | 6 | Фиолетовый | VT | Сигнал позиционирования. AC 0 В/AC 24 В/DC 24-48 В, “открыт” | |
Y2 | 7 | Оранжевый | OG | Сигнал позиционирования. AC 0 В/AC 24 В/DC 24-48 В, “закрыт” | |
Y | 8 | Серый | GY | Сигнал позиционирования. DC 0...10 В, 0...35 В | |
U | 9 | Розовый | PK | Индикация положения DC 0...10 В | |
Приводы AC 230 В | L | 3 | Коричневый | BN | Фаза AC 230 В |
N | 4 | Синий | BU | Нейтральный проводник | |
Вспом. переключатель | Q11 | S1 | Серый/красный | GY RD | Переключатель A, вход |
Q12 | S2 | Серый/синий | GY BU | Переключатель А, НЗ-контакт | |
Q14 | S3 | Серый/розовый | GY PK | Переключатель А, НО-контакт | |
Q21 | S4 | Черный/красный | BK RD | Переключатель B, вход | |
Q22 | S5 | Черный/синий | BK BU | Переключатель B, НЗ-контакт | |
Q24 | S6 | Черный/розовый | BK PK | Переключатель B, НО-контакт | |
Потенциометр обратной связи | a | P1 | Белый/красный | WH RD | Потенциометр 0...100 % (P1-P2) |
b | P2 | Белый/синий | WH BU | Потенциометр, выход | |
c | P3 | Белый/розовый | WH PK | Потенциометр 100...0 % (P3-P2) |