Вы здесь
Привод воздушной заслонки Siemens GNP191.1E
Привод воздушной заслонки Siemens GNP191.1E для 2-точечного, 3-точечного или аналогового регулирования, номинальный крутящий момент 6 Нм, 2 с время позиционирования, с электронной функцией отказоустойчивости; самоцентрирующийся переходник вала, механически регулируемый диапазон 0...90о, с предварительно подключенными кабелями длиной 0,9 м.
Применение
- Для заслонок площадью до 1 м2;
- Для применения в лабораториях в вытяжных шкафах и т.д;
- Подходят для 2-точечного и 3-точечного непрерывного управления.
Технические характеристики
Производитель | SIEMENS |
Площадь заслонки | до 1 |
Напряжение | DC 24 |
Крутящий момент | 6 |
Управляющий сигнал | DC 0...10 V |
Угол поворота | 90° |
Время позиционирования | Открытие приводом: 2 с, Закрытие Super Cap: 2 с |
Потребляемая мощность | 13 Вт |
Длина кабеля | 0,9 м |
Класс защиты | IP54 |
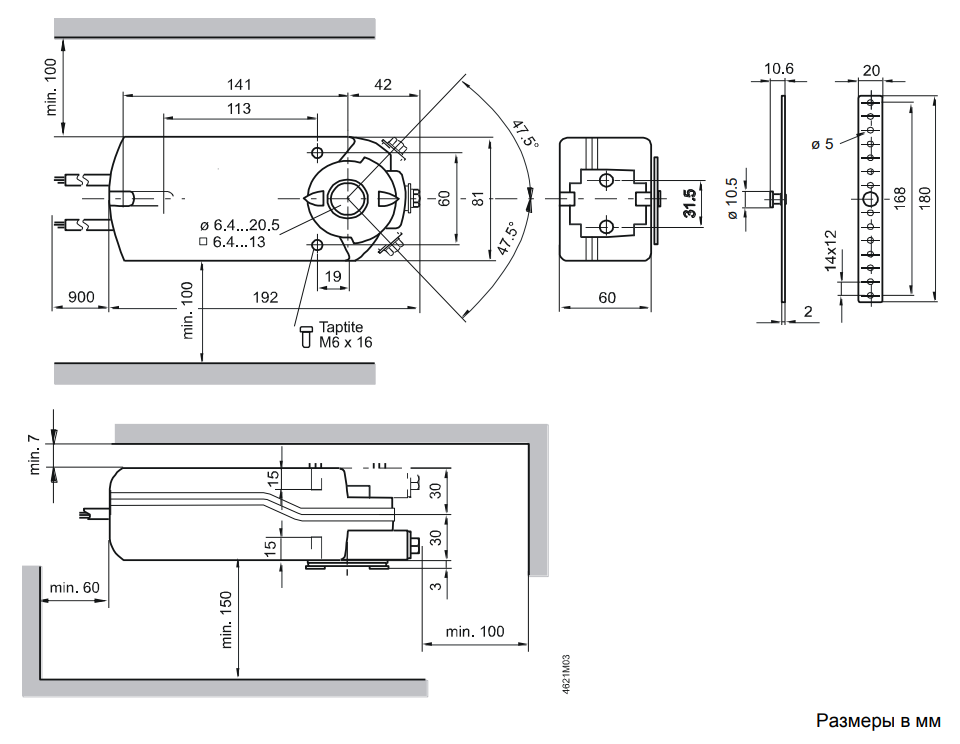
Размеры (Ш х В х Г) | 81 x 192 x 63 мм |
Доп. функции | Возвратная пружина |
Внутренние схемы
Соединение | Кабель | Назначение | |||
Код | No. | Цвет | Аббревиатура | ||
Приводы 24 В AC/DC | G | 1 | красный | RD | AC/DC 24 V системный потенциал |
G0 | 2 | чёрный | BK | Нейтраль системы | |
Y2 | 7 | оранжевый | OG | Сигнал позиционирования 0 В AC/DC, 24 В AC/DC "закрытие" | |
Y/Y1 | 8 | серый | GY | Сигнал позиционирования DC 0 (2)…10 В 0 (4)…20 мА Сигнал позиционирования 0 В AC/DC, 24 В AC/DC "открытие" |
|
U | 9 | розовый | PK | Индикатор положения DC 0 (2)...10 В | |
Вспомогательный переключатель | Q11 | S1 | серый/красный | GYRD | Переключатель A вход |
Q12 | S2 | серый/голубой | GYBU | Перекл. А Нормально замкнутый контакт | |
Q14 | S3 | серый/розовый | GYPK | Перекл. А Нормально открытый контакт | |
Q21 | S4 | черный/красный | BKRD | Переключатель B вход | |
Q22 | S5 | черный/голубой | BKBU | Перекл. В Нормально замкнутый контакт | |
Q24 | S6 | черный/розовый | BKPK | Перекл. В Нормально открытый контакт |