Вы здесь
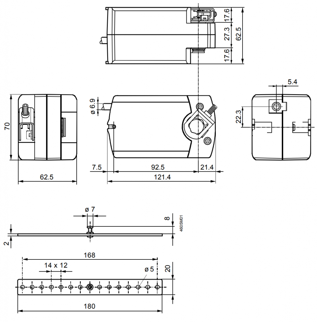
Привод воздушной заслонки Siemens GSD126.1A
Привод воздушной заслонки Siemens GSD126.1A для управления открыть-закрыть (1-провод, SPST)
- Номинальный крутящий момент 2 Нм;
- Рабочее напряжение AC/DC 24 V или AC 230 V;
- Встроенный кабель 0.9 м
Привод воздушной заслонки GSD126.1A снят с производства с заменой на GSD146.1A
Применение
- Для воздушных заслонок до 0.3 м2, в зависимости от трения;
- Для регулирования воздушного потока в зональных установках.
Внутренние схемы
Соединение | Кабель | Значение | |||
Код | No. | Цвет | Аббревиатура | ||
GSD121.1A AC/DC 24 V |
G | 1 | красный | RD | Сист. потенциал AC/DC 24 V |
G0 | 2 | черный | BK | Сист. нейтраль | |
Y | 7 | оранжевый | OG | Сигнал против час. стрелки AC/DC 0 V | |
GSD321.1A AC 230 V |
L | 3 | коричневый | BN | Фаза AC 230 V |
N | 4 | голубой | BU | Нейтраль | |
Y | 7 | белый | WH | Сигнал против час. стрелки AC 230 V | |
GQD121.1A AC/DC 24 V |
G | 1 | красный | RD | Сист. потенциал AC/DC 24 V |
G0 | 2 | черный | BK | Сист. нейтраль | |
GQD321.1A AC 230 V |
L | 3 | коричневый | BN | Фаза AC 230 V |
N | 4 | голубой | BU | Нейтраль | |
GQD131.1A AC 24 V DC 24…48 V |
G | 1 | красный | RD | Сист. потенциал AC 24 V / DC 24…48 V |
G0 | 2 | черный | BK | Сист. нейтраль | |
Y1 | 6 | фиолетовый | VT | Сигнал по час. стрелке AC 24 V / DC 24…48 V или AC 0 V | |
Y2 | 7 | оранжевый | OG | Сигнал против час. стрелки AC 24 V / DC 24…48 V или AC 0 V | |
GQD161.1A AC 24 V DC 24…48 V |
G | 1 | красный | RD | Сист. потенциал AC 24 V / DC 24…48 V |
G0 | 2 | черный | BK | Сист. нейтраль | |
Y | 8 | серый | GY | Сигнал DC 0...10 V | |
U | 9 | розвый | PK | Обр. связь DC 0…10 V |