Вы здесь
Привод воздушной заслонки Siemens GSD141.1A
Привод воздушной заслонки Siemens GSD141.1A для управления открыть-закрыть (1-провод, SPST)
- Номинальный крутящий момент 2 Нм;
- Рабочее напряжение AC/DC 24 V или AC 230 V;
- Встроенный кабель 0.9 м;
- Кнопка отключения зубчатой передачи для ручной регулировки;
- Индикация положения;
- Дополнительные переключатели для дополнительных функций.
Применение
- Для воздушных заслонок до 0.3 м2, в зависимости от трения;
- Для регулирования воздушного потока в зональных установках.
Технические характеристики
Производитель | SIEMENS |
Площадь заслонки | до 0.3 |
Напряжение | AC 24 DC 24-48 |
Крутящий момент | 2 |
Управляющий сигнал | 2-точечный 3-точечный |
Угол поворота | 90° |
Время позиционирования | 30 с |
Потребляемая мощность | 2.2 ВА, 1.2 Вт |
Длина кабеля | 0.9 м |
Класс защиты | IP54 |
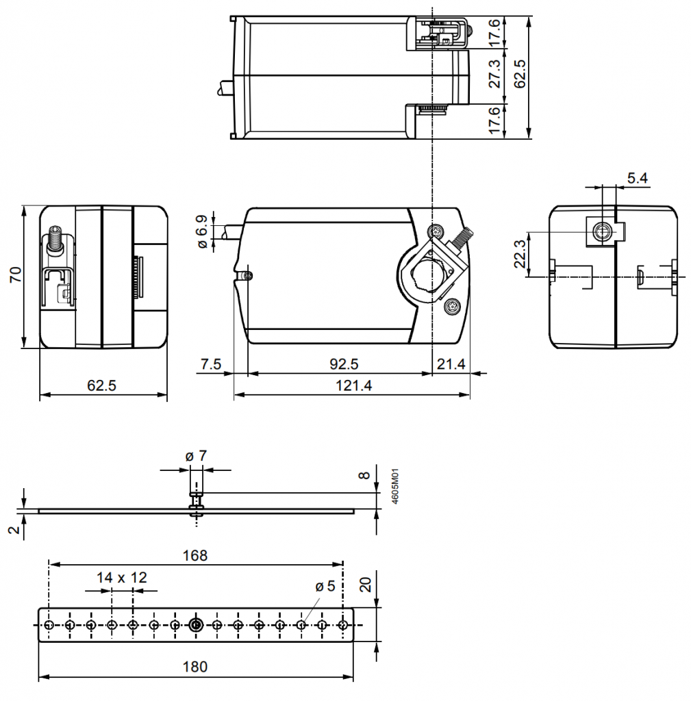
Размеры (Ш х В х Г) | 72 x 124 x 63 мм |
Доп. функции | Нет |
Внутренние схемы
Подключение | Код | No | Цвет | Аббревиатура | Назначение |
Приводы AC 24 В ~ DC 24…48 В | G | 1 | красный | RD | Сист. потенциал AC 24 В ~ / DC 24…48 В ? |
G0 | 2 | черный | BK | Сист. нейтраль | |
Y1 | 6 | фиолет | VT | Сигнал позиционирования AC/DC 0 В, “по часовой” (GSD14..1A) | |
Y2 | 7 | оранж | OG | Сигнал позиционирования AC/DC 0 В, “против часовой” (GSD14..1A) | |
Y | 8 | серый | GY | Вход (GSD16..1A) | |
U | 9 | розовый | PK | Выход (GSD16..1A) | |
Приводы AC 100…240 В | L | 3 | коричн | BR | Фаза AC 100…240 В ~ |
N | 4 | свет.гол. | BU | Нейтраль | |
Y1 | 6 | черный | BK | Сигнал позиционирования AC 100…240 В ~, “по часовой” (GSD34..1A) | |
Y2 | 7 | белый | WH | Сигнал позиционирования AC 100…240 В ~, “против часовой” (GSD34..1A) | |
G+ | 1 | красный | RD | Сист. потенциал DC 24 В ? (GSD361.1A) | |
G- | 2 | черный | BK | Сист. нейтраль (GSD361.1A) | |
Y | 8 | серый | GY | Вход (GSD361.1A) | |
U | 9 | розовый | PK | Выход (GSD361.1A) | |
Доп. переключатели | Q11 | S1 | сер/красн | GY RD | Переключатель A вход |
Q12 | S2 | сер/гол | GY BU | Переключатель A НО | |
Q14 | S3 | сер/роз | GY PK | Переключатель A НЗ | |
Q21 | S4 | черн/крас | BK RD | Переключатель B вход | |
Q22 | S5 | черн/гол | BK BU | Переключатель B НО | |
Q24 | S6 | черн/роз | BK PK | Переключатель B НЗ |