Вы здесь
Промышленные джойстики EUCHNER серии KC
Джойстики EUCHNER разработаны для управления разнообразным промышленным и грузоподъемным оборудованием, работающим в том числе в тяжёлых эксплуатационных условиях и агрессивных средах.
Материалы, компоненты и технические решения гарантируют механическую прочность.
Особенности
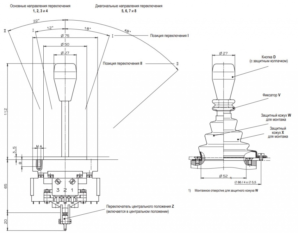
- Монтаж возможен в панель снизу или сверху с фронтальной панелью;
- От 1 до 8 направлений переключения с 1 или 2 ступенями переключения в каждом направлении;
- Переключение с возвратом в центральное положение или с фиксацией, в разных комбинациях;
- Переключатель центрального положения;
- Кнопка на рукоятке.
Модельный ряд
- KCA1E1E1E1E0000DWP189;
- KCB2A2A2A2A5678W;
- KCB2B2B2B2B0000DXP131;
- KCB4E4E4E4E0000DVOW;
- KCB5A005A000000DXZ;
- KCB5B005B000000X;
- KCB5B5B5B5B5678DW.
Технические характеристики
Параметры | Значения | |||
Материал корпуса | усиленный стекловолокном термопласт / алюминий | |||
Материал рукоятки | оцинкованная сталь | |||
Степень защиты по IEC 529 для надпультовой части с / без защитного кожуха |
IР65 / IР54 | |||
Монтаж | монтаж возможен снизу или с фронтальной панелью | |||
Вес | ок. 0,75 кг | |||
Механический ресурс | 1 х 106 срабатываний | |||
Рабочий диапазон температур для Т | от -5 до +65 °С | |||
Рабочий диапазон температур для S | от -25 до +65 °С | |||
Макс. количество коммутирующих элементов | по 3 на каждое направление | |||
Подключение | штекер 2,8 х 0,5 IEC 760 (ES 584) винтовые зажимы (ЕS 556) |
|||
Коммутирующие элементы | микропереключатель (1 З./Р.) по IEC 947-5-1, С | |||
Принцип переключения | переключатель мгновенного действия, тип ЕS 584 или ЕS 556 | |||
Непрерывное напряжение изоляции Ui | 250 V | |||
Импульсное напряжение изоляции Uimp | 2,5 kV | |||
Категория применения АС15 | 230 V / 4 А | |||
Категория применения DС13 | 24 V / 2 А | |||
Минимальный ток переключения при 24 V | 12 mА | |||
Минимальное напряжение переключения | 10 V | |||
Материал контактов | серебряный сплав | |||
Защита от короткого замыкания | Т6 / F10 | |||
Макс. количество направлений переключения | 8 | |||
Кругового действия R (только без фиксации) | 1 переключающий элемент (вертикально или горизонтально) или 2 смежных переключающих элемента совместно (по диагонали) |
|||
Количество ступеней по направлению | 1 или 2 | |||
Переключение с фиксацией S (залипание) | в соответствии с назначением | |||
Переключение с возвратом Т | в соответствии с назначением | |||
Защитный кожух W, Х | опция | |||
Фиксатор V | в центральном положении | опция | ||
Фиксатор V1 | переключение из I в II | |||
Переключатель центрального положения Z | опция | |||
Кнопка D (Опция) | ||||
Степень защиты по IEC 529 | IР65 | |||
Электрический ресурс | 5 х 104 циклов переключений при 0,7 А / 250 V АС | |||
Коммутирующий элемент | 1 контакт замыкания (1 NО) | |||
Потребительская категория АС15 | 230 V / 2 А | |||
Потребительская категория DС13 | 24 V / 1 А | |||
Минимальный ток переключения при 24 V | 12 mА | |||
Минимальное напряжение переключения | 10 V | |||
Усилие переключения | < 8 N | |||
Ход кнопки | ок. 3 мм |
Габаритные размеры
Маркировка
Пример КCA3A5C005C0000V1
Джойстик серии КС со штекерным подключением. Направления переключения 1 с 3 переключающими элементами. С возвратом из позиции I и с фиксацией в позиции II Направления переключения 2 и 4, каждое с двумя коммутирующими элементами, с возвратом из позиции I и II Направление переключения 3 не используется Опция V1 (механический фиксатор переключения из позиции I в позицию II)
Назад к списку