Вы здесь
Промышленные джойстики EUCHNER серии KF
Джойстики EUCHNER разработаны для управления разнообразным промышленным и грузоподъемным оборудованием, работающим в том числе в тяжёлых эксплуатационных условиях и агрессивных средах.
Материалы, компоненты и технические решения гарантируют механическую прочность.
Особенности
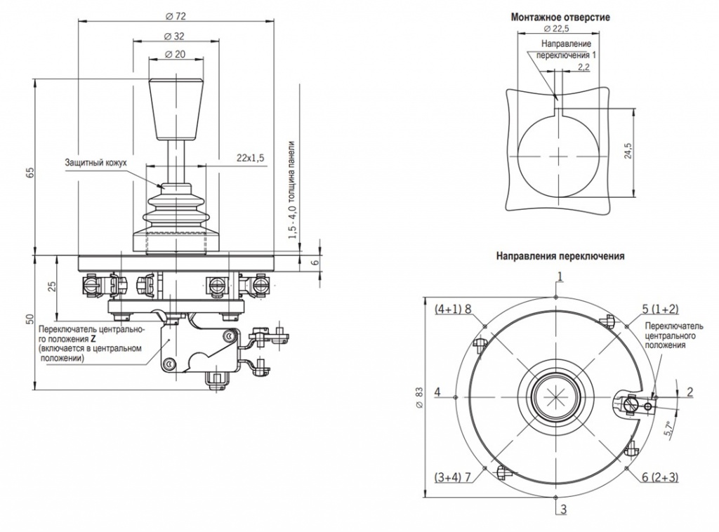
- Монтаж в панель снизу;
- От 1 до 8 направлений переключения, 4 коммутирующих элемента; с возвратом в центральное положение или с фиксацией;
- Один контакт с нейтральным положением с винтовыми зажимами на каждое из направлений переключения;
- Переключатель центрального положения.
Модельный ряд
- KFS1234;
- KFS13;
- KFS13T24Z.
Технические характеристики
Параметры | Значения | ||
Материал корпуса | дуропласт | ||
Материал рукоятки | нержавеющая сталь | ||
Степень защиты по IEC 529 для надпультовой части с защитным кожухом |
IР65 | ||
Монтаж | монтаж в панель снизу | ||
Вес | ок. 0,2 кг | ||
Механический ресурс | 1 х 106 срабатываний | ||
Рабочий диапазон температур для Т | от -25 до +65 °С | ||
Рабочий диапазон температур для S | от -25 до +65 °С | ||
Макс. количество коммутирующих элементов | 4 | ||
Подключение | винтовые клеммы | ||
Коммутирующие элементы | микропереключатель (1 З./Р.) по IEC 947-5-1, С | ||
Принцип переключения | переключатель мгновенного действия, тип ЕS 517 | ||
Непрерывное напряжение изоляции Ui | 250 V | ||
Импульсное напряжение изоляции Uimp | 2,5 kV | ||
Категория применения АС15 | 230 V / 5 А | ||
Категория применения DС13 | 24 V / 3 А | ||
Минимальный ток переключения при 24 V | 10 mА | ||
Минимальное напряжение переключения | 12 V | ||
Материал контактов | серебряный сплав | ||
Защита от короткого замыкания | Т10 / F20 | ||
Макс. количество направлений переключения | 8 | ||
Кругового действия R (только без фиксации) | 1 коммутирующий элемент (вертикально или горизонтально) или 2 смежных переключающих элемента совместно (по диагонали) |
||
Количество ступеней по направлению | 1 | ||
Переключение с фиксацией S (залипание) | в соответствии с назначением | ||
Переключение с возвратом Т | в соответствии с назначением | ||
Фиксатор в центральном положении V | опция |
Габаритные размеры
Маркировка
Пример КF S13 T24 Z
Джойстик серии КF, направления переключения 1+3 с фиксацией S, направления переключения 2+4 с возвратом Т, переключатель центрального положения Z
Назад к списку