Вы здесь
Промышленные джойстики EUCHNER серии KP
Джойстики EUCHNER разработаны для управления разнообразным промышленным и грузоподъемным оборудованием, работающим в том числе в тяжёлых эксплуатационных условиях и агрессивных средах.
Материалы, компоненты и технические решения гарантируют механическую прочность.
Особенности
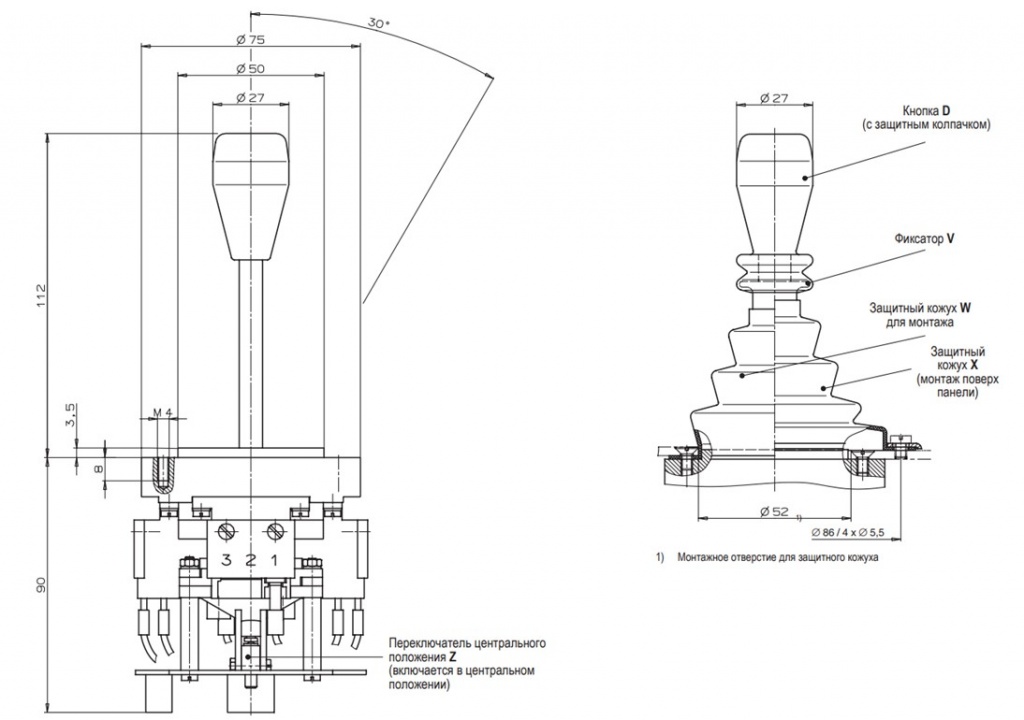
- Монтаж возможен в панель снизу или сверху с фронтальной панелью;
- Аналогоый пропорциональный выходной сигнал;
- Управление по 1 или 2 осям или совместное управление по 2 осям;
- Переключатель центрального положения;
- Кнопка на рукоятке.
Технические характеристики
Параметры | Значения | |||||||
Материал корпуса | усиленный стекловолокном термопласт / алюминий | |||||||
Материал рукоятки | оцинкованная сталь | |||||||
Степень защиты по IEC 529 для надпультовой части с / без защитного кожуха |
IР65 / IР50 | |||||||
Монтаж | монтаж возможен снизу или с фронтальной панелью | |||||||
Вес | ок. 0,75 кг | |||||||
Механический ресурс | 1 х 106 срабатываний | |||||||
Рабочий диапазон температур для Т | от -5 до +65 °С | |||||||
Рабочий диапазон температур для S | от -25 до +65 °С | |||||||
Макс. количество коммутирующих элементов | по 1 на каждое направление | |||||||
Подключение | винтовые зажимы на плате | |||||||
Коммутирующие элементы | микропереключатель (1 З./Р.) по IEC 947-5-1, С | |||||||
Принцип переключения | переключатель мгновенного действия | |||||||
Непрерывное напряжение изоляции Ui | 50 V | |||||||
Материал контактов | серебряный сплав | |||||||
Входное управляющее напряжение | ± 18 V | |||||||
Выходное управляющее напряжение | ± 10 V | |||||||
Макс. количество направлений переключения | управление по 1 или 2 осям или совместное управление по 2 осям | |||||||
Переключение с фиксацией S (залипание) | в соответствии с назначением | |||||||
Переключение с возвратом Т | в соответствии с назначением | |||||||
Защитный кожух W, Х | опция | |||||||
Фиксатор в центральном положении V | опция | |||||||
Переключатель центрального положения Z | опция | |||||||
Кнопка D (Опция) | ||||||||
Степень защиты по IEC 529 | IР65 | |||||||
Электрический ресурс | 5 х 104 циклов переключений при 0,7 А / 250 V АС | |||||||
Коммутирующий элемент | 1 контакт замыкания (1 NО) | |||||||
Потребительская категория АС15 | 230 V / 2 А | |||||||
Потребительская категория DС13 | 24 V / 1 А | |||||||
Минимальный ток переключения при 24 V | 12 mА | |||||||
Минимальное напряжение переключения | 10 V | |||||||
Усилие переключения | < 8 N | |||||||
Ход кнопки | ок. 3 мм |
Габаритные размеры
Маркировка
Пример KP 2 TVWZ
Аналоговый джойстик серии KP, управление по 2 осям, с возвратом в центральное положение T, механический фиксатор в центральном положении V, защитный кожух W, монтаж под панель, переключатель центрального положения Z
Назад к списку