Вы здесь
Промышленные джойстики EUCHNER серии WK
Джойстики EUCHNER разработаны для управления разнообразным промышленным и грузоподъемным оборудованием, работающим в том числе в тяжёлых эксплуатационных условиях и агрессивных средах.
Материалы, компоненты и технические решения гарантируют механическую прочность.
Особенности
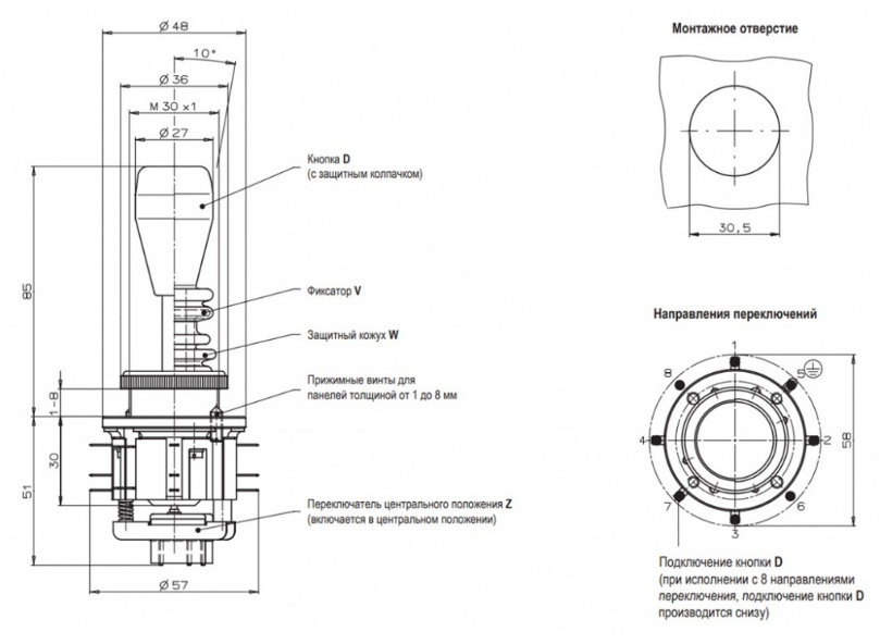
- Установка на панель в соответствии с IEC 947-5-1 D30;
- От 1 до 8 направлений переключения с возвратом в центральное положение или с фиксацией;
- Один переключающий контакт со штекером 2,8 x 0,5 IEC 760 на каждое из направлений переключения;
- Переключатель центрального положения;
- Кнопка на рукоятке.
Модельный ряд
- WKS1234W;
- WKS13DW;
- WKT1-8;
- WKT1-8DW;
- WKT1234DW;
- WKT123DW;
- WKT13DWC1730.
Технические характеристики
Параметры | Значения | ||
Материал корпуса | усиленный стекловолокном термопласт / алюминий | ||
Материал рукоятки | нержавеющая сталь | ||
Степень защиты по IEC 529 для надпультовой части с / без защитного кожуха |
IР65 / IР54 | ||
Монтаж | IEC 947-5-1 D30 | ||
Вес | ок. 0,17 кг | ||
Механический ресурс | 1 х 106 срабатываний | ||
Рабочий диапазон температур для Т | от -5 до +65 °С | ||
Рабочий диапазон температур для S | от -25 до +65 °С | ||
Макс. количество коммутирующих элементов | 8 | ||
Подключение | штекер 2,8 х 0,5 IEC 760 | ||
Коммутирующие элементы | микропереключатель (1 З./Р.) по IEC 947-5-1, С | ||
Принцип переключения | переключатель мгновенного действия, тип ЕS 584 | ||
Непрерывное напряжение изоляции Ui | 250 V | ||
Импульсное напряжение изоляции Uimp | 2,5 kV | ||
Категория применения АС15 | 230 V / 4 А | ||
Категория применения DС13 | 24 V / 2 А | ||
Минимальный ток переключения при 24 V | 12 mА | ||
Минимальное напряжение переключения | 10 V | ||
Материал контактов | серебряный сплав, золото - на заказ | ||
Защита от короткого замыкания | Т6 / F10 | ||
Макс. количество направлений переключения | 8 | ||
Кругового действия R (только без фиксации) | 1 переключающий элемент (вертикально или горизонтально) или 2 смежных переключающих элемента совместно (по диагонали) |
||
Количество ступеней по направлению | 1 | ||
Переключение с фиксацией S (залипание) | в соответствии с назначением | ||
Переключение с возвратом Т | в соответствии с назначением | ||
Защитный кожух W | опция | ||
Фиксатор в центральном положении V | опция | ||
Переключатель центрального положения Z | опция | ||
Кнопка D (опция) | |||
Степень защиты по IEC 529 | IР65 | ||
Электрический ресурс | 5 х 104 циклов переключений при 0,7 А / 250 V АС | ||
Коммутирующий элемент | 1 контакт замыкания (1 NО) | ||
Потребительская категория АС15 | 230 V / 2 А | ||
Потребительская категория DС13 | 24 V / 1 А | ||
Минимальный ток переключения при 24 V | 12 mА | ||
Минимальное напряжение переключения | 10 V | ||
Усилие переключения | < 8 N | ||
Ход кнопки | ок. 3 мм |
Габаритные размеры
Маркировка
Пример WK S13 T24 DZV
Джойстик серии WK, направления переключения 1+3 с фиксацией S, направления переключения 2+4 с возвратом Т, кнопка D, переключатель центрального положения Z, фиксатор в центральном положении V Джойстик серии WK, 8 коммутирующих элементов с возвратом Т, кругового действия R
Назад к списку