Вы здесь
Клапаны балансировочные ZC2
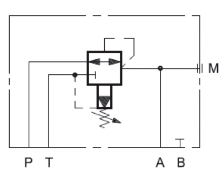
Балансировочные клапаны ZC2-P3/M1/51, ZC2-P4/M1/51, ZC2-P5/M1/51 выполняют роль редукционных клапанов, что позволяет не только снизить давление в линии Р до уровня, необходимого потребителю А, но и обеспечить возврат потока от потребителя А к сливному отверстию Т. Это происходит, когда давление в отводящем контуре (потребитель А) превышает заданное значение, например, в ситуациях, требующих гидравлического противовеса или балансировки нагрузки.
Данные клапаны соответствуют стандартам ISO 4401 (CETOP RP121H) и имеют монтажную поверхность, совместимую с данными стандартами. Отверстие В не используется.
Клапаны ZC2-P3/M1/51, ZC2-P4/M1/51, ZC2-P5/M1/51 могут быть установлены в любом положении без ухудшения их функциональности.
Крепление клапанов осуществляется с помощью болтов или соединительных шпилек на шлифованной поверхности, такой как плиты PMMD-A*. Важно, чтобы показатели плоскостности и шероховатости поверхности соответствовали или превышали указанные на чертеже.
Если минимальные требования по плоскостности и/или шероховатости не соблюдаются, это может привести к утечке жидкости между клапаном и установочной поверхностью.

Гидравлическая схема клапанов ZC2-P3*, ZC2-P4*, ZC2-P5*

Габаритные размеры ZC2-P3*, ZC2-P4*, ZC2-P5*

- = Монтажная поверхность с уплотнительными кольцами (OR): 4 OR тип 2037.
- = Соединение манометра 1/4" BSP.
- = Регулировочный винт с потайной шестигранной головкой: Kлюч на 5. Для увеличения давления вращать по часовой стрелке.
- = Стопорная гайка: Гаечный ключ на 17
- = Регулировочная ручка: М1. Крепежные винты поставляются вместе с клапаном. 4 винта М5х55. Момент затяжки: 5 Нм (А винты 8.8)
Технические характеристики ZC2
| Параметры | Клапан ZC2-P3* | Клапан ZC2-P4* | Клапан ZC2-P5* | |
| Максимальное рабочее давление | бар | 350 | ||
| Давление настройки | бар | 10...70 | 30...140 | 50...210 |
| Максимальный расход рабочей жидкости | л/мин | 25 | ||
| Рекомендуемая вязкость рабочей жидкости | сСт | 25 | ||
| Температура рабочей жидкости | °C | -20...+80 | ||
| Материал применяемых уплотнений | - | NBR, Vaiton | ||
| Масса клапана не более | кг | 1,3 | ||
Структура условного обозначения ZC2-P3*, ZC2-P4*, ZC2-P5*




