Вы здесь

Клапан подпорный PBM3-SB* (CETOP 3, модульное исполнение) 

Клапан подпорный PBM3-SB* (CETOP 3, модульного исполнения) представляет собой трехлинейный регулятор давления прямого действия, выполненный в модульном исполнении с условным проходом Ду=6 мм и монтажной поверхностью, соответствующей стандартам CETOP и ISO.

Данный клапан предназначен для регулировки противодавления на выходе из исполнительного механизма, обеспечивая стабильность входного потока.

Обычно клапан используется в контурах цилиндров с вертикальной установкой, где необходимо компенсировать постоянную весовую нагрузку на контур цилиндра.

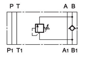
Гидросхема клапанов PBM3

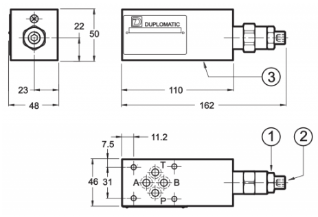
Габаритные размеры PBM3-SB

  1. = Контргайка: ключ 19 мм
  2. = Регулировочный винт с внутренней шестигранной головкой: ключ 6 мм. Для увеличения давления вращать по часовой стрелке
  3. = Монтажная поверхность с уплотнительными кольцами типа OR2037 (4 шт.)

Технические характеристики PBM3-SB

Параметры Клапан PBM3-SB2/10N Клапан PBM3-SB3/10N Клапан PBM3-SB4/10N
Максимальное рабочее давление бар 350
Давление открывания рабочего клапана бар 3,5
Диапазон регулировки давления бар до 25 до 70 до 140
Максимальный расход через обратный клапан (B — B1) л/мин 50
Максимальный расход в контролируемой магистрали (B — B1) л/мин 40
Максимальный расход в свободных магистралях P, A, T л/мин 75
Масса клапана не более кг 1,6

Структура условного обозначения клапанов PBM3

Назад к списку