Вы здесь
Клапан подпорный WBCDELU, WBCSELU
Гидравлические клапаны WBCDELU и WBCSELU предназначены для блокировки движения цилиндра под нагрузкой, защиты от кавитации и предотвращения превышения максимального давления.
Корпус этих клапанов покрыт цинковым слоем для защиты от коррозии.
Клапаны WBCDELU и WBCSELU работают с минеральными маслами по стандарту DIN 51525 в температурном диапазоне от -30°C до 80°C и с вязкостью от 2,8 до 380 мм²/сек, при этом масло должно иметь чистоту класса 10 по NAS 1638 и фильтрацию от 25 до 75.
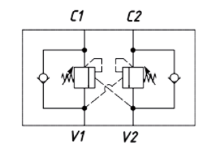
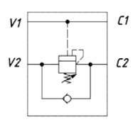
Гидросхемы клапанов
WBCSELU
WBCDELU
Расходно-перепадные характеристики
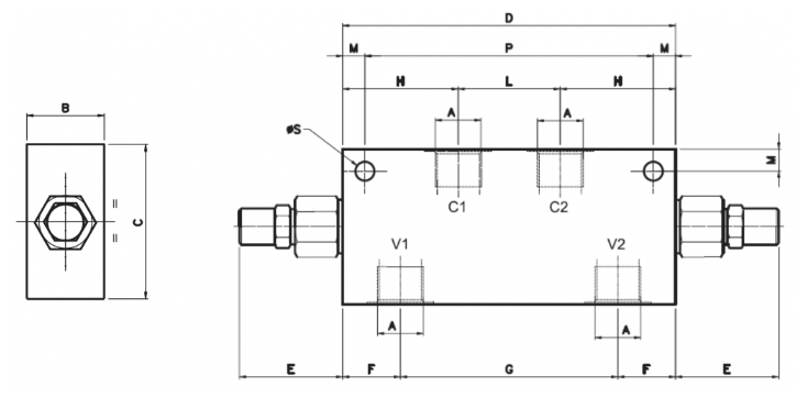
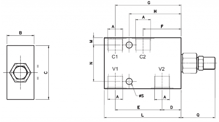
Габаритные размеры
WBCDELU
Типоразмер | A | Максимальный расход, л/мин | Максимальное давление, бар | Отношение пилотного давления к основному | B | C | D | E | F | G | H | L | M | N | Вес, кг |
WBCDELU 01 | BSPP 1/4 | 30 | 210 | 1:4,25 | 30 | 60 | 150 | 46,5 | 26 | 98 | 52 | 46 | 10 | 6,5 | 0,98 |
WBCDELU 02 | BSPP 3/8 | 40 | 1:4,25 | 30 | 60 | 150 | 46,5 | 26 | 98 | 52 | 46 | 10 | 6,5 | 0,97 | |
WBCDELU 03 | BSPP 1/2 | 60 | 1:4,25 | 35 | 70 | 150 | 46,5 | 26 | 98 | 52 | 46 | 10 | 8,5 | 1,01 |
WBCDELU
Типоразмер | A | Максимальный расход, л/мин | Максимальное давление, бар | Отношение пилотного давления к основному | B | C | D | E | F | G | H | L | M | N | Q | S | Вес, кг |
WBCSELU 01 | BSPP 1/4 | 30 | 210 | 1:4,25 | 30 | 60 | 26 | 64 | 52 | 90 | 71 | 105 | 10 | 40 | 46,5 | 6,5 | 0,62 |
WBCSELU 02 | BSPP 3/8 | 40 | 1:4,25 | 30 | 60 | 26 | 64 | 52 | 90 | 71 | 105 | 10 | 40 | 46,5 | 6,5 | 0,58 | |
WBCSELU 03 | BSPP 1/2 | 60 | 1:4,25 | 35 | 70 | 26 | 64 | 52 | 90 | 71 | 105 | 10 | 50 | 46,5 | 8,5 | 0,60 |