Вы здесь

Клапаны последовательности MSD* (CETOP 3, модульное исполнение) 

Клапан MSD представляет собой золотниковый клапан последовательности прямого действия, который используется для последовательного управления двумя или более исполнительными механизмами.

В исходном положении клапан обычно закрыт. Давление из магистрали P1 воздействует на одну сторону золотника, а на другую — регулировочный винт. Когда давление в магистрали P1 достигает установленного значения, заданного с помощью винта, клапан открывается и пропускает жидкость в основной контур.

Клапан остается открытым до тех пор, пока давление в контуре не снизится ниже установленного уровня, поддерживаемого пружиной и регулировочным винтом.

Клапан MSD выполнен в модульном формате с отверстиями, соответствующими стандартам ISO 4401 (CETOP PR 121H), что позволяет легко и быстро монтировать его вместе с электромагнитными клапанами по стандарту ISO 4401-03 (CETOP 03) без необходимости использования труб. Обычно клапан поставляется с регулировочным винтом с шестигранной головкой, но по запросу может быть оснащен регулировочной ручкой SICBLOC с шкалой давления и автоматической блокировкой.

Гидросхема клапанов MSD

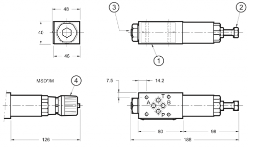
Габаритные размеры MSD

  1. = Монтажная поверхность с уплотнительными кольцами (OR): 4 шт. типа OR2037
  2. = Регулировочный винт с внутренней шестигранной головкой: гаечный ключ 17 мм. Для увеличения давления вращать по часовой стрелке
  3. = Присоединительное отверстие манометра 1/4" BSP
  4. = Ручка SICBLOC. Для работы нажмите ее и одновременно вращайте.

Технические характеристики MSD

Параметры Клапан MSD3/50 Клапан MSD4/50 Клапан MSD5/50
Максимальное рабочее давление бар 350
Максимальное давление в линии T бар 10
Диапазон регулировки давления бар 10...70 30...140 50...280
Максимальный расход в магистралях регулируемого расхода л/мин 50
Максимальный расход в свободных магистралях л/мин 75
Рекомендуемая вязкость рабочей жидкости сСт 25
Класс чистоты рабочей жидкости - Класс 10 по NAS 1638
Масса клапана не более кг 2,7

Структура условного обозначения клапанов MSD

Назад к списку