Вы здесь
Гидроклапан предохранительный ГК2.25.00
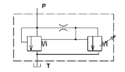
Предохранительный клапан ГК2Р-25-00 предназначен для поддержания заданного давления, защиты от его превышения и разгрузки гидросистем в сельскохозяйственных, строительных и других мобильных системах.
Клапан выпускается в различных климатических исполнениях, таких как УХЛ4, О2, ХЛ1 и О4, в соответствии с ГОСТ 15150. Изготавливается по техническим условиям ТУ4144-019-00221824-2001.
В комплекте с клапаном ГК2Р-25 поставляются паспорт изделия и резиновое уплотнительное кольцо круглого сечения 019-022-19, соответствующее ГОСТ 9833-73.
Графическое обозначение ГК 2Р-25-00
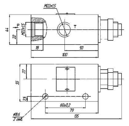
Габаритные размеры ГК 2Р-25-00
Технические характеристики ГК 2Р-25-00
Параметры | Клапан ГК2Р.25.00 | ||
Условный проход, мм | 10 | ||
Номинальный расход жидкости, л/мин | 60 | ||
Диапазон регулировки давления, МПа | 1...40 | ||
Масса клапана (без рабочей жидкости), кг | 1,5 |