Вы здесь
Гидроклапаны предохранительные 20-...-...-11У (Ду=20 мм)
Предохранительные клапаны 20.10.1.11У, 20.20.1.11У, 20.32.1.11У и 20.10.2.11У, 20.20.2.11У, 20.32.2.11У с условным проходом 20 мм предназначены для поддержания заданного давления, защиты от его превышения, а также разгрузки давления в гидравлических системах мобильной техники и других гидравлических установках.
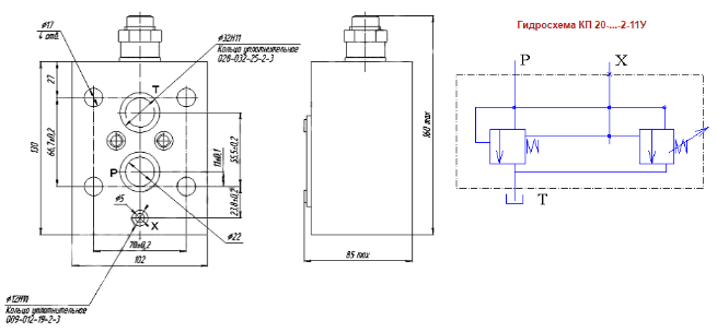
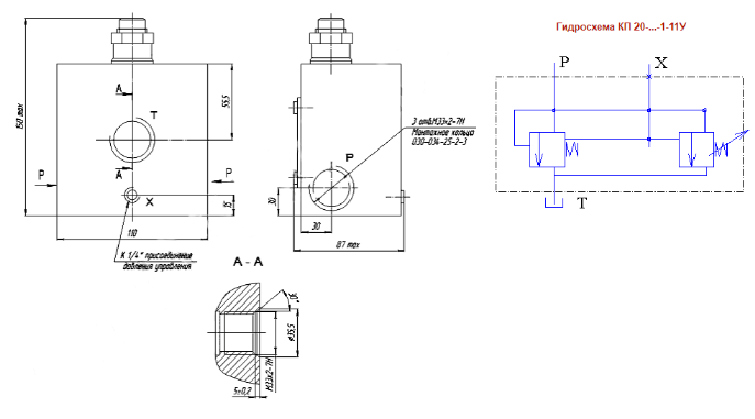
Гидроклапаны предохранительные серии 20-...-...-11У изготавливаются с двумя вариантами присоединения: стыковым (20-...-2-11У) и резьбовым (20-...-1-11У).
Клапаны поставляются с паспортом изделия и уплотнительными кольцами, необходимыми для подключения к гидравлическим линиям оборудования.
Габаритные размеры
20-10-2-11У, 20-20-2-11У, 20-32-2-11У (стыковое исполнение)
20-10-1-11У, 20-20-1-11У, 20-32-1-11У (резьбовое исполнение М33х2)
Технические характеристики 20-...-...-11У
Параметры | КП 20-10-1-11У | КП 20-20-1-11У | КП 20-32-1-11У | КП 20-10-2-11У | КП 20-20-2-11У | КП 20-32-2-11У |
Условный проход, мм | 20 | |||||
Исполнение по номинальному давлению настройки, МПа | 10 | 20 | 32 | 10 | 20 | 32 |
Исполнение по присоединению | Резьбовое | Стыковое | ||||
Давление настройки номинальное / максимальное / минимальное, МПа | 10 / 12,5 / 0,3 | 20 / 25 / 1 | 32 / 40 / 1,6 | 10 / 12,5 / 0,3 | 20 / 25 / 1 | 32 / 40 / 1,6 |
Расход жидкости номинальный / максимальный / минимальный, л/мин | 250 / 400 / 10 | 100 / 140 / 10 | ||||
Диапазон регулировки давления, МПа | 1...32 | |||||
Масса клапана, кг | 5,5 | 6,5 |