Вы здесь

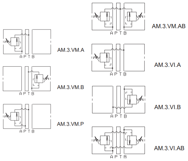
Гидроклапаны предохранительные AM3VM(VI)* модульные (Ду= 6 мм) 

Гидроклапаны AM3VM(VI)* позволяют регулировать давление в диапазоне 2...350 бар.

Возможны следующие варианты исполнения:

  • AM3VM: однолинейное на линиях A или B, двухлинейное на линиях A и B, cо сливом в линию T;
  • AM3VMP: однолинейное в линии P, со сливом в линию T;
  • AM3VI: однолинейное на линиях A или B, и двухлинейное на линиях A и B, с перекрестным сливом в линию A или B.

На всех модификациях могут быть установлены 3 различных типа пружины, в зависимости от необходимого диапазона настройки.

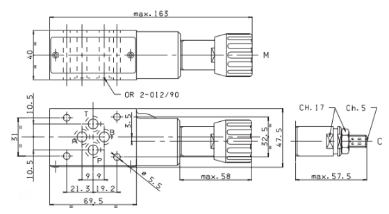
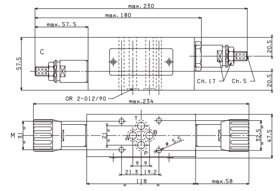
Габаритные размеры

AM.3.VM.AB...

AM.3.VM.P...

AM.3.VI.AB...

Технические характеристики AM3VM(VI)*

Максимальное рабочее давление бар 320
Настройка давления бар 50, 140, 320
Максимальный расход л/мин 40
Рабочая температура жидкости °C -25...+75
Температура окружающей среды °C -25...+60
Вязкость жидкости сСт 10...500
Рекомендуемая вязкость сСт 35
Допустимый уровень загрязнения жидкости Класс 10 по NAS 1638
Рабочая жидкость Минеральные масла DIN 51524
Масса клапана не более кг 2,2

Гидросхемы клапанов AM3VM(VI)*

Структура обозначения AM.3.VM(VI)*

Назад к списку