Вы здесь

Гидроклапаны предохранительные AM5VM(VI)* модульные (Ду= 10 мм) 

Гидроклапаны AM5VM(VI)* позволяют регулировать давление в диапазоне 2...350 бар. Регулировка осуществляется при помощи регулировочного винта или пластиковой ручки.

Возможны следующие варианты исполнения:

  • AM5VM: однолинейное на линиях A или B, двухлинейное на линиях A и B, cо сливом в линию T;
  • AM5VM.P: однолинейное в линии P, со сливом в линию T;
  • AM5VI: однолинейное на линиях A или B, и двухлинейное на линиях A и B, с перекрестным сливом в линию A или B.

На всех модификациях могут быть установлены 3 различных типа пружины, в зависимости от необходимого диапазона настройки

Для клапанов AM.5.VM и AM.5.VM.P используется вставной управляемый клапан (картридж) CMP.30, для AM.5.VI – вставной управляемый клапан прямого действия CMP.20.

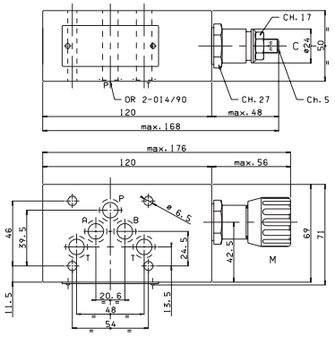
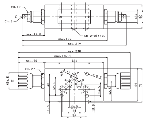
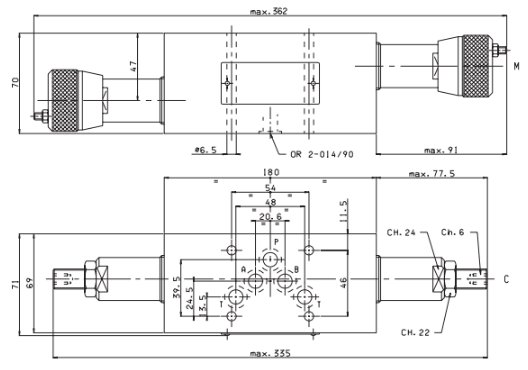
Габаритные размеры

AM5VMAB...

AM5VMP...

AM5VIAB...

Линии регулирования клапанов AM5VM(VI)*

Технические характеристики AM5VM(VI)*

Максимальное рабочее давление бар 350
Настройка давления бар 50, 140, 350
Максимальный расход л/мин 80
Рабочая температура жидкости °C -25...+75
Температура окружающей среды °C -25...+60
Вязкость жидкости сСт 10...500
Рекомендуемая вязкость сСт 35
Допустимый уровень загрязнения жидкости Класс 10 по NAS 1638
Рабочая жидкость Минеральные масла DIN 51524
Масса клапана не более кг 5,9

Структура обозначения AM.5.VM(VI)*

Назад к списку