Вы здесь
Гидроклапаны предохранительные DB 10(G), DB 20(G), DB 30(G)
Клапаны давления DB10-2-5X/..., DB20-2-5X/..., DB30-2-5X/... стыкового присоединения и DB10-2G-5X/..., DB20-2G-5X/..., DB30-2G-5X/... резьбового присоединения представляют собой клапаны ограничения давления с непрямым управлением. Гидроклапаны DB предназначены для ограничения рабочего давления.
Устройство DB 10(G), DB 20(G), DB 30(G)
Клапаны ограничения давления DB состоят, в основном, из главного клапана (1) с блоком основного золотника (3) и управляющего клапана (2) с элементом регулирования давления. Давление в канале Р действует на основной золотник (3). Одновременно давление в каналах управления (6) и (7), снабженных соплами (4) и (5), действует на нагруженную пружиной сторону основного золотника (3) и на шар (8) управляющего клапана (2). Если давление в канале Р поднимается выше значения, установленного для пружины (9), шар (8) прижимается к пружине (9). Сигнал об этом поступает по каналам управления (10) и (6) из канала Р.
Рабочая жидкость с нагруженной пружиной стороны основного золотника (3) начинает течь по каналу управления (7), через отверстие сопла (11) и шар (8) в полость установки пружины (12). Отсюда жидкость поступает внутренне (у типа DB…–) по каналу управления (13) или внешне (у типа DB…Y) по каналу управления (14) в бак. В зависимости от сопел (4) и (5) возникает градиент давления на основном золотнике (3), открывается соединение между каналами Р и Т. Теперь рабочая жидкость течет от канала Р к каналу Т при поддержании установленного рабочего давления. Через канал "Х" (15) с клапана ограничения давления снимается нагрузка или подается другое давление (вторая ступень давления).
Габаритные размеры
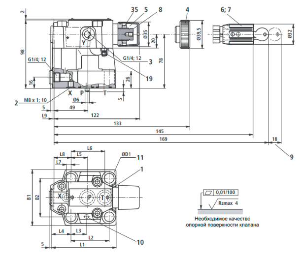
Rexroth DB... стыкового присоединения
- 1. Заводская табличка
- 2. Канал X для внешнего подвода масла
- 3. Канал Y для внешнего отвода масла
- 4, 5, 6, 7. Элементы регулировки давления
- 8. Шестигранник SW10
- 9. Необходимое место для удаления ключа
- 10. Натяжной штифт
- 11. Крепежное отверстие клапана
- 19. Отсутствует при внутреннем отводе масла
- 35. Контргайка SW17, момент затяжки MA = 10+5 Нм
Тип | L1 | L2 | L3 | L4 | L5 | L6 | L7 | L8 | L9 | B1 | B2 | ØD1 |
DB. 10 | 91 | 53,8 | 22,1 | 27,5 | 22,1 | 47,5 | 0 | 25,5 | 2 | 78 | 53,8 | 14 |
DB. 20 | 116 | 66,7 | 33,4 | 33,3 | 11,1 | 55,6 | 23,8 | 22,8 | 10,5 | 100 | 70 | 18 |
DB. 30 | 147,5 | 88,9 | 44,5 | 41 | 12,7 | 76,2 | 31,8 | 20 | 21 | 115 | 82,6 | 20 |
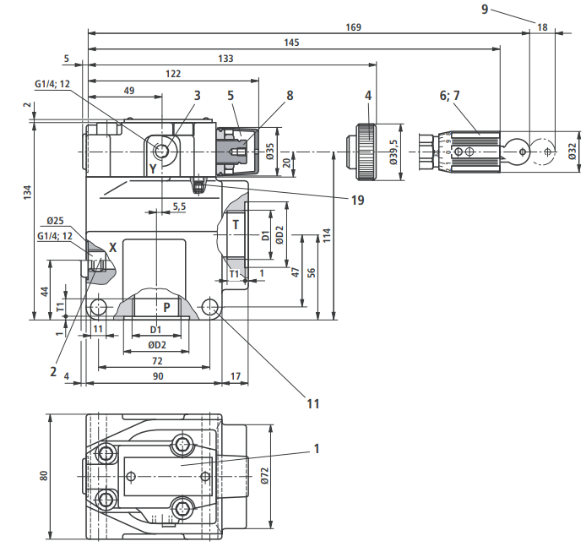
Rexroth DB...G... резьбового присоединения
- 1. Заводская табличка
- 2. Канал X для внешнего подвода масла
- 3. Канал Y для внешнего отвода масла
- 4, 5, 6, 7. Элементы регулировки давления
- 8. Шестигранник SW10
- 9. Необходимое место для удаления ключа
- 10. Натяжной штифт
- 11. Крепежное отверстие клапана
- 19. Отсутствует при внутреннем отводе масла
Тип | D1 | ØD2 | T1 |
DB 10 G | G1/2 | 34 | 14 |
DB 15 G | G3/4 | 42 | 16 |
DB 20 G | G1 | 47 | 18 |
DB 25 G | G1 1/4 | 58 | 20 |
DB 30 G | G1 1/2 | 65 | 22 |
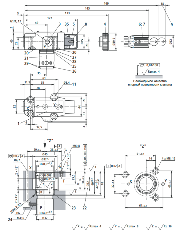
Rexroth DBC... и DBT...
- 1. Заводская табличка
- 2. Канал X для внешнего подвода масла
- 3. Канал Y для внешнего отвода масла
- 4, 5, 6, 7. Элементы регулировки давления
- 8. Шестигранник SW10
- 9. Необходимое место для удаления ключа
- 10. Натяжной штифт
- 11. Крепежное отверстие клапана
- 19. Отсутствует при внутреннем отводе масла
- 22. Отверстие Ø32 можно прорезать Ø45 в любом месте. Однако необходимо следить за тем, чтобы не повредить присоединительное отверстие Х и крепежное отверстие!
- 23. Перед монтажом основного золотника в это отверстие необходимо установить опорное и уплотнительное кольца
- 24. Сопло (заказывается отдельно)
- 35. Контргайка SW17, момент затяжки MA = 10+5 Нм
Технические характеристики DB 10(G), DB 20(G), DB 30(G)
Максимальное рабочее давление | |||
линии P, X | бар | 350 | |
линия T | бар | 315 | |
Максимальное противодавление: | |||
линия Y | бар | 315 | |
линия Y, T | бар | 210 | |
Максимально объёмный расход: | |||
Ду=10 | л/мин | 250 | |
Ду=20 | л/мин | 500 | |
Ду=30 | л/мин | 650 | |
Положение при монтаже | любое | ||
Рабочая жидкость | минеральное масло (HL, HLP) согласно DIN 51524; биологически быстро разлагагаемая рабочая жидкость согласно VDMA 24568 (см. также RD 90221); HETG (рапсовое масло); HEPG (полигликоль); HEES (синтетический эфир) | ||
Диапазон температур рабочей жидкости и окружающей среды | ºС | -30 ... +80 | |
Диапазон вязкостей жидкости | мм²/с | 10 ... 800 | |
Минимальная прочность материала корпуса | Материал корпуса должен обеспечивать безопасность в любых условиях эксплуатации (например, относительно прочности на сжатие, стойкости пружины к трению и моментов затяжки). | ||
Масса клапана для установки на плите: | |||
Ду=10 | кг | 2,6 | |
Ду=20 | кг | 3,5 | |
Ду=30 | кг | 4,4 | |
Масса клапана с резьбовым присоединением не более | кг | 5.3 |