Вы здесь
Гидроклапаны предохранительные DBW 10-(G), DBW 20-(G), DBW 30-(G)
Гидроклапаны DBW предназначены для ограничения рабочего давления и управления разгрузкой. Они работают по аналогичному принципу, как и клапаны DB, но имеют возможность разгрузки основного золотника (3) за счет встроенного золотникового распределителя (16). Давление в канале Р воздействует на основной золотник (3), а также через каналы управления (6) и (7), оборудованные соплами (4) и (5), на нагруженную пружиной сторону золотника (3) и шарик (8) управляющего клапана (2).
Когда давление в канале Р превышает установленное пружиной (9) значение, шарик (8) начинает прижиматься к пружине (9), и сигнал об этом поступает по каналам управления (10) и (6) из канала Р. Вследствие этого рабочая жидкость с пружинной стороны основного золотника (3) начинает течь по каналу управления (7), проходя через отверстие сопла (11) и шарик (8) в полость установки пружины (12). Далее жидкость поступает либо внутренним путем (для типа DB…–) через канал управления (13), либо внешним путем (для типа DB…Y) через канал управления (14) в бак.
В зависимости от характеристик сопел (4) и (5) создается разница давлений на основном золотнике (3), что приводит к открытию соединения между каналами Р и Т, позволяя рабочей жидкости течь из канала Р в канал Т при поддержании заданного рабочего давления. Через канал "Х" (15) может быть снята нагрузка с клапана ограничения давления или установлено другое давление (вторая ступень давления).
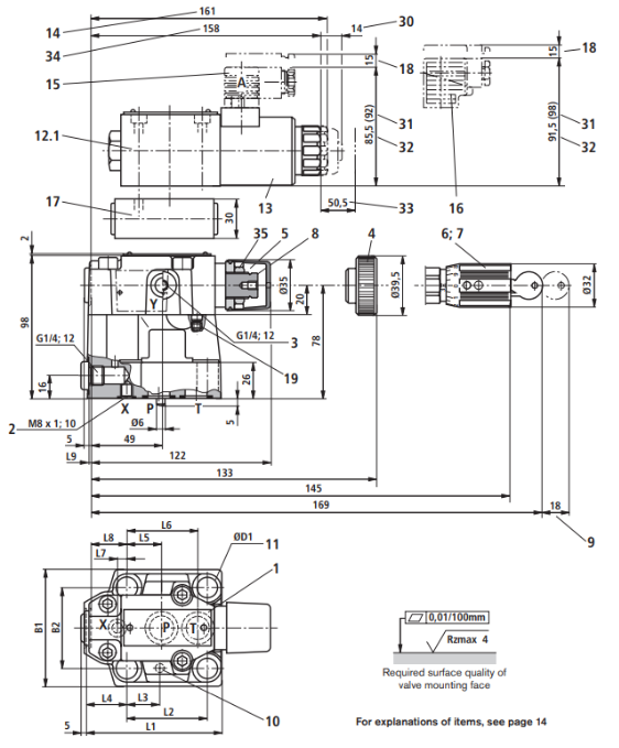
Клапан ограничения давления с демпфированием ударов (промежуточная плита) DBW…/..S6...R12
Демпфирующий клапан (17) открывает соединение от В2 к В1 с задержкой, таким образом предотвращается появление пиков давления и акустических ударов разгрузки в сливном трубопроводе. Клапан устанавливается между управляющим клапаном (2) и гидрораспределителем (16). Степень демпфирования (удара разгрузки) определяется размером сопла (18). Рекомендуется использовать сопло Ø1,2 мм (отметка при заказе ..R12..).
Габаритные размеры
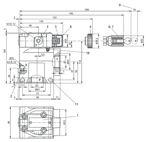
Rexroth DBW... стыкового присоединения
- 1. Заводская табличка
- 2. Канал X для внешнего подвода масла
- 3. Канал Y для внешнего отвода масла
- 4, 5, 6, 7. Элементы регулировки давления
- 8. Шестигранник SW10
- 9. Необходимое место для удаления ключа
- 10. Натяжной штифт 11. Крепежное отверстие клапана
- 12.1. Золотниковый гидрораспределитель NG
- 13. Электромагнит "а"
- 14. Размеры распределителя без вспомогательного устройства управления
- 15. Штекер без проводки
- 16. Штекер c проводкой
- 17. Демпфирующий клапан, по выбору
- 18. Необходимое место для удаления штекера
- 19. Отсутствует при внутреннем отводе масла
- 30. Размеры клапана со вспомогательным устройством управления "N"
- 31. Размер клапана с электромагнитом переменного тока
- 32. Размер клапана с электромагнитом постоянного тока
- 33. Необходимое место для удаления магнитной катушки
- 34. Размеры клапана с прикрытым вспомогательным устройством управления "N9"
- 35. Контргайка SW17, момент затяжки MA = 10+5 Нм
Тип | L1 | L2 | L3 | L4 | L5 | L6 | L7 | L8 | L9 | B1 | B2 | ØD1 |
DB. 10 | 91 | 53,8 | 22,1 | 27,5 | 22,1 | 47,5 | 0 | 25,5 | 2 | 78 | 53,8 | 14 |
DB. 20 | 116 | 66,7 | 33,4 | 33,3 | 11,1 | 55,6 | 23,8 | 22,8 | 10,5 | 100 | 70 | 18 |
DB. 30 | 147,5 | 88,9 | 44,5 | 41 | 12,7 | 76,2 | 31,8 | 20 | 21 | 115 | 82,6 | 20 |
Rexroth DBW...G... резьбового присоединения
- 1. Заводская табличка
- 2. Канал X для внешнего подвода масла
- 3. Канал Y для внешнего отвода масла
- 4, 5, 6, 7. Элементы регулировки давления
- 8. Шестигранник SW10
- 9. Необходимое место для удаления ключа
- 10. Натяжной штифт
- 11. Крепежное отверстие клапана
- 19. Отсутствует при внутреннем отводе масла
Тип | D1 | ØD2 | T1 |
DB 10 G | G1/2 | 34 | 14 |
DB 15 G | G3/4 | 42 | 16 |
DB 20 G | G1 | 47 | 18 |
DB 25 G | G1 1/4 | 58 | 20 |
DB 30 G | G1 1/2 | 65 | 22 |
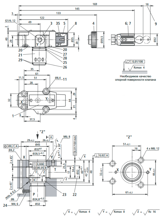
Rexroth DBWC... и DBWT...
- 1. Заводская табличка
- 2. Канал X для внешнего подвода масла
- 3. Канал Y для внешнего отвода масла
- 4, 5, 6, 7. Элементы регулировки давления
- 8. Шестигранник SW10
- 9. Необходимое место для удаления ключа
- 10. Натяжной штифт
- 11. Крепежное отверстие клапана
- 19. Отсутствует при внутреннем отводе масла
- 22. Отверстие Ø32 можно прорезать Ø45 в любом месте. Однако необходимо следить за тем, чтобы не повредить присоединительное отверстие Х и крепежное отверстие!
- 23. Перед монтажом основного золотника в это отверстие необходимо установить опорное и уплотнительное кольца
- 24. Сопло (заказывается отдельно)
- 35. Контргайка SW17, момент затяжки MA = 10+5 Нм
Технические характеристики DB 10(G), DB 20(G), DB 30(G)
Максимальное рабочее давление | |||
линии P, X | бар | 350 | |
линия T | бар | 315 | |
Максимальное противодавление: | |||
линия Y | бар | 315 | |
линия Y, T | бар | 210 | |
Максимально объёмный расход: | |||
Ду=10 | л/мин | 250 | |
Ду=20 | л/мин | 500 | |
Ду=30 | л/мин | 650 | |
Положение при монтаже | любое | ||
Рабочая жидкость | минеральное масло (HL, HLP) согласно DIN 51524; биологически быстро разлагаемая рабочая жидкость согласно VDMA 2456; HETG (рапсовое масло); HEPG (полигликоль); HEES (синтетический эфир) | ||
Диапазон температур рабочей жидкости и окружающей среды | ºС | -30 ... +80 | |
Диапазон вязкостей жидкости | мм²/с | 10 ... 800 | |
Минимальная прочность материала корпуса | Материал корпуса должен обеспечивать безопасность в любых условиях эксплуатации (например, относительно прочности на сжатие, стойкости пружины к трению и моментов затяжки). | ||
Масса клапана для установки на плите: | |||
Ду=10 | кг | 4,05 | |
Ду=20 | кг | 4,95 | |
Ду=30 | кг | 5,85 | |
Масса клапана с резьбовым присоединением не более | кг | 6.75 |