Вы здесь
Гидроклапаны предохранительные фланцевые КПВ10, КПВ20, КПВ32
Предохранительные клапаны КПВ-10, КПВ-20 и КПВ-32, с номинальными проходными сечениями 10 мм, 20 мм и 32 мм соответственно, предназначены для защиты гидравлической системы от перегрузок и поддержания стабильного давления.
Устройство КПВ-10, КПВ-20, КПВ-32
Клапаны моделей КПВ20-000-06 и КПВ20-000-08 состоят из основного клапана (комплекта затвора) 1 и вспомогательного (управляющего) клапана 2, соединенных между собой фланцем 3. В патроне комплекта затвора установлен клапан 4, который прижимается к седлу пружиной 5. В корпусе вспомогательного клапана находятся игла 7 и пружина 8. Для регулировки давления используется рукоятка со шкалой и замковым устройством 9 для ключа 10.
Принцип работы
Масло из системы (Р) поступает через дроссель 11 в основном клапане по каналу 12 к игле 7 вспомогательного клапана. Пока давление в системе, воздействующее на иглу 7, не превышает настройку пружины 8, клапан 4 остается прижатым к седлу пружиной 5. Когда давление повышается, игла 7 открывает канал 12, и масло из надклапанной полости 13 поступает на слив (Т). В результате равновесие сил на клапане 4 нарушается, и он поднимается под действием перепада давления на дросселе 11, соединяя линию давления Р с линией слива Т. Как только давление в системе становится ниже настроенного значения пружины 8, вспомогательный клапан закрывается, давление на клапане 4 уравновешивается, и клапан снова прижимается к седлу усилием пружины 5.
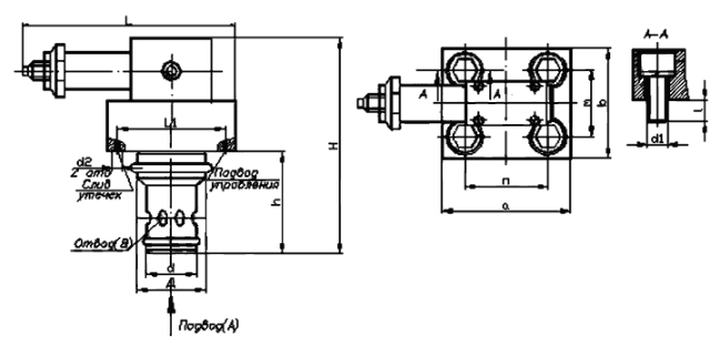
Габаритные размеры КПВ10, КПВ20, КПВ32
Шифр клапана | Lмин / Lмакс | a | b | n | m | d1 | l | H | h | ll | D | d |
Клапан КПВ 10.В | 116 / 122 | 65 | 55 | 45 | 35 | M10 | 25 | 116 | 51 | 50 | 34 | 25 |
Клапан КПВ 10.Р | 152 / 158 | 65 | 55 | 45 | 35 | M10 | 25 | 116 | 51 | 50 | 34 | 25 |
Клапан КПВ 10.К | 176 / 182 | 65 | 55 | 45 | 35 | M10 | 25 | 116 | 51 | 50 | 34 | 25 |
Клапан КПВ 20.В | 120 / 126 | 75 | 65 | 50 | 40 | M12 | 25 | 124 | 59 | 58 | 44 | 34 |
Клапан КПВ 20.Р | 156 / 162 | 75 | 65 | 50 | 40 | M12 | 25 | 124 | 59 | 58 | 44 | 34 |
Клапан КПВ 20.К | 180 / 186 | 75 | 65 | 50 | 40 | M12 | 25 | 124 | 59 | 58 | 44 | 34 |
Клапан КПВ 32.В | 126 / 132 | 86 | 76 | 58 | 48 | M14 | 30 | 142 | 72 | 72 | 54 | 44 |
Клапан КПВ 32.Р | 162 / 168 | 86 | 76 | 58 | 48 | M14 | 30 | 142 | 72 | 72 | 54 | 44 |
Клапан КПВ 32.К | 187 / 193 | 86 | 76 | 58 | 48 | M14 | 30 | 142 | 72 | 72 | 54 | 44 |
Технические характеристики КПВ10, КПВ20, КПВ32
Обозначение | Клапан КПВ10 | Клапан КПВ20 | Клапан КПВ32 |
Условный проход, мм | 10 | 20 | 32 |
Давление на выходе номинальное / максимальное, МПа | 32 / 35 | ||
Максимальное давление разгрузки, МПа | 0,3 | ||
Диапазон регулирования КПВ...В1 / КПВ...В2 / КПВ...В3, МПа | 0,5...10 / 1...20 / 2...32 | ||
Расход рабочей жидкости номинальный / максимальный / минимальный, дм³/мин | 63 / 100 / 3 | 160 / 250 / 5 | 320 / 500 / 5 |
Внутренняя герметичность (максимальные внутренние утечки), см³/мин | 40 | 60 | 100 |
Масса клапана (без рабочей жидкости) не более, кг | 4,21 | 4,70 | 5,50 |
Максимальное превышение давления настройки при мгновенном возрастании давления, % | 10 | ||
Время нарастания давления после прекращения разгрузки, с | 0,1 | 0,15 | 0,2 |
Давление на сливе основного потока / линии управления, МПа | 32 / 6 |