Вы здесь

Гидроклапаны предохранительные ГКЕ10-32 

Предохранительные клапаны ГКЕ10.32.00, ГКЕ10.32.00М, ГКЕ10.32.00.01 и ГКЕ10.32.00М.01 предназначены для защиты объёмных гидроаппаратов от превышения заданного давления и дистанционной разгрузки их от избыточного давления.

Выпускаются в климатических исполнениях УХЛ4, О2, ХЛ1, О4 в соответствии с ГОСТ 15150.

Клапан ГКЕ10-32 изготавливается по техническим условиям ТУ4144-019-00221824-2001.

Также можно приобрести присоединительные плиты КПЕ10-007М (с международными присоединительными отверстиями) и КПЕ10-007 для подключения к гидравлической линии.

В комплект поставки гидроклапанов предохранительных ГКЕ10-32-00-Г24, ГКЕ10-32-00-В110, ГКЕ10-32-00-В220 входят:

  • паспорт на изделие завода-изготовителя
  • резиновые уплотнительные кольца 014-018-25 (2 шт.) и 009-012-19 (2 шт.).

В комплект поставки ГКЕ10-32-00М-Г24, ГКЕ10-32-00М-В110, ГКЕ10-32-00М-В220 (М - международный стандарт на присоединительные отверстия):

  • паспорт на изделие завода-изготовителя
  • резиновые уплотнительные кольца 018-022-25 (2 шт.) и 008-012-25 (2 шт.).

Устройство гидроклапана ГКЕ10-32

Клапан предохранительный типа ГКЕ состоит из корпуса со встроенным в него предохранительным клапаном непрямого действия и гидрораспределителя с электромагнитным управлением (пилота управления) с различным вариантами управляющего напряжения: 12 вольт постоянного тока, 24 вольта постоянного тока, 110 вольт переменного тока и 220 вольт переменного тока. Настройка требуемого давления производится регулировочным винтом. При включенном электромагните пилота гидравлическая система разгружена от давления.

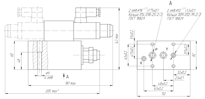
Габаритные размеры ГКЕ10-32

ГКЕ10-32-00, ГКЕ10-32-01

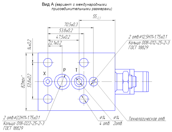
ГКЕ10-32-00М, ГКЕ10-32-01М (международные присоединительные отверстия)

 

Технические характеристики ГКЕ10-32

Параметры Клапан ГКЕ10-32-00 Г12 Клапан ГКЕ10-32-00 Г24 Клапан ГКЕ10-32-00 В110 Клапан ГКЕ10-32-00 В220
Клапан ГКЕ10-32-00-01 Г12 Клапан ГКЕ10-32-00-01 Г24 Клапан ГКЕ10-32-00-01 В110 Клапан ГКЕ10-32-00-01 В220
Клапан ГКЕ10-32-00М Г12 Клапан ГКЕ10-32-00М Г24 Клапан ГКЕ10-32-00М В110 Клапан ГКЕ10-32-00М В220
Клапан ГКЕ10-32-00М-01 Г12 Клапан ГКЕ10-32-00М-01 Г24 Клапан ГКЕ10-32-00М-01 В110 Клапан ГКЕ10-32-00М-01 В220
Условный проход, мм 10
Управляющее напряжение, В 12 (пост. ток) 24 (пост. ток) 110 (перем. ток) 220 (перем. ток)
Номинальный расход жидкости, л/мин 40
Давление на входе мин. / макс., МПа 1 / 32
Диапазон регулировки давления, МПа 1...32
Вязкость рабочей жидкости, сСт 10...800
Номинальная тонкость фильтрации рабочей жидкости, мкм 25
Масса клапана: исполнение 00 / исполнение 01, кг 6 / 6,5

Условное графическое обозначение гидроклапанов ГКЕ10-32

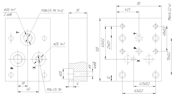
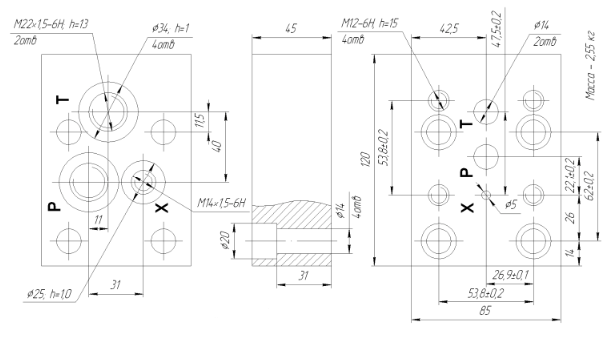
Плита присоединительная КПЕ-007М для гидроклапанов ГКЕ10-32-00М

Плита присоединительная КПЕ-007 для гидроклапанов ГКЕ10-32-00

Назад к списку