Вы здесь
Гидроклапаны предохранительные ГКЕР20-32
Предохранительные клапаны ГКЕР20.32.00.Г24, ГКЕР20.32.00.В110, ГКЕР20.32.00.В220, ГКЕР20.32.00.Г12, с диаметром условного прохода 20 мм, предназначены для поддержания установленного давления, защиты от его превышения, а также для дистанционной разгрузки при превышении заданного давления.
Климатические исполнения клапанов включают УХЛ4, О2, ХЛ1, О4 в соответствии с ГОСТ 15150. Клапан ГКЕР20-32 производится по техническим условиям ТУ4144-019-00221824-2001.
В комплект поставки ГКЕР20-32-00-Г24, ГКЕР20-32-00-В110, ГКЕР20-32-00-В220, ГКЕР20-32-00-Г12 входят:
- паспорт на изделие завода-изготовителя
- резиновые уплотнительные кольца круглого сечения.
Устройство гидроклапана ГКЕР20-32
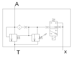
Клапан предохранительный с электромагнитным управлением типа ГКЕР20.32 с условным проходом 20 мм состоит из корпуса со встроенным в него предохранительным клапаном непрямого действия и гидрораспределителя типа 1РЕ6... с различным вариантами управляющего напряжения: 12 вольт постоянного тока, 24 вольта постоянного тока, 110 вольт переменного тока и 220 вольт переменного тока. Настройка заданной величины давления осуществляется при помощи регулировочного винта.
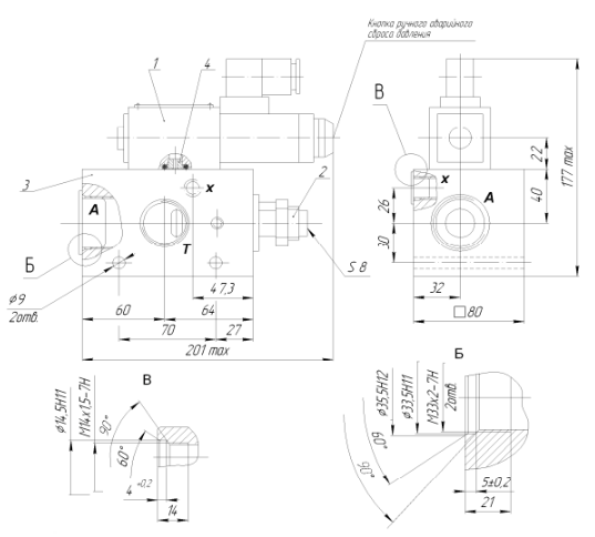
Габаритные размеры ГКЕР20-32
Гидросхема ГКЕР20-32
Технические характеристики ГКЕР20-32
Параметры | Клапан ГКЕР20-32-00-Г12 | Клапан ГКЕР20-32-00-Г24 | Клапан ГКЕР20-32-00-В110 | Клапан ГКЕР20-32-00-В220 |
Условный проход, мм | 20 | |||
Управляющее напряжение, В | 12 (пост. ток) | 24 (пост. ток) | 110 (перем. ток) | 220 (перем. ток) |
Номинальный расход жидкости, л/мин | 200 | |||
Давление на входе мин. / макс., МПа | 1,6 / 30 | |||
Диапазон регулировки давления, МПа | 1...30 | |||
Вязкость рабочей жидкости, сСт | 10...800 | |||
Номинальная тонкость фильтрации рабочей жидкости, мкм | 25 | |||
Масса клапана, кг | 6.0 |