Вы здесь
Гидроклапаны предохранительные KP10M/ модульные (Ду= 10 мм)
Гидроклапаны KP10M/10-AB(AB2,A,B,T), KP10M/20-AB(AB2,A,B,T) и KP10M/32-AB(AB2,A,B,T) представляют собой предохранительные (переливные) клапаны модульного типа, соответствующие стандартам CETOP 05 (с диаметром Ду=10 мм) и ISO.
Данные предохранительные гидроклапаны KP10M/10... используются для настройки давления в стековых системах в линиях A, B или P на заданное значение.
Конфигурации KP10M/
- Конфигурация «KP10M/...A»: клапаны предохранительные KP10M/10(20,32)-A позволяют контролировать давление в линии A, слив избыточного давления в линию T.
- Конфигурация «KP10M/...B»: клапаны предохранительные KP10M/10(20,32)-B позволяют контролировать давление в линии B, слив избыточного давления в линию T.
- Конфигурация «KP10M/...P»: клапаны предохранительные KP10M/10(20,32)-P позволяют контролировать давление в линии P, слив избыточного давления в линию T.
- Конфигурация «KP10M/...AB»: клапаны предохранительные KP10M/10(20,32)-AB позволяют контролировать давление в линиях A и B, слив избыточного давления в линию T.
- Конфигурация «KP10M/...AB2»: клапаны предохранительные KP10M/10(20,32)-AB2 позволяют контролировать давление в линиях A и B, слив избыточного давления в линии B и A.
Гидросхемы клапанов KP10M/10..., KP10M/20..., KP10M/32...
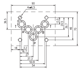
Габаритные размеры KP10M/10..., KP10M/20..., KP10M/32...
Технические характеристики KP10M/10..., KP10M/20..., KP10M/32...
Максимальное рабочее давление | бар | 320 |
Минимальное давление управления | бар | 5 |
Расход рабочей жидкости при Δp=2,5 бар | л/мин | 40 |
Рабочая температура жидкости | °C | -20...+80 |
Температура окружающей среды | °C | -20...+50 |
Вязкость жидкости | сСт | 10...400 |
Чистота рабочей жидкости | мм | 0,025 |
Масса клапана не более | кг | 3,05 |
Структура условного обозначения