Вы здесь

Гидроклапаны предохранительные KP6M/ модульные (Ду= 6 мм) 

Гидроклапаны KP6M/10-AB(AB2,A,B,T), KP6M/20-AB(AB2,A,B,T) и KP6M/30-AB(AB2,A,B,T) представляют собой предохранительные (переливные) клапаны модульного типа, выполненные в соответствии со стандартами CETOP 03 (с диаметром Ду=6 мм) и ISO.

Данные предохранительные гидроклапаны KP6M/10... используются для настройки давления в линиях A, B или P на заданное значение.

Конфигурации KP6M/

  • Конфигурация «KP6M/...A»: клапаны предохранительные KP6M/10(20,30)-A позволяют контролировать давление в линии A, слив избыточного давления в линию T.
  • Конфигурация «KP6M/...B»: клапаны предохранительные KP6M/10(20,30)-B позволяют контролировать давление в линии B, слив избыточного давления в линию T.
  • Конфигурация «KP6M/...P»: клапаны предохранительные KP6M/10(20,30)-P позволяют контролировать давление в линии P, слив избыточного давления в линию T.
  • Конфигурация «KP6M/...AB»: клапаны предохранительные KP6M/10(20,30)-AB позволяют контролировать давление в линиях A и B, слив избыточного давления в линию T.
  • Конфигурация «KP6M/...AB2»: клапаны предохранительные KP6M/10(20,30)-AB2 позволяют контролировать давление в линиях A и B, слив избыточного давления в линии B и A.

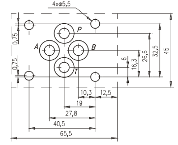
Габаритные размеры KP6M/10..., KP6M/20..., KP6M/30...


Гидросхемы клапанов KP6M/10..., KP6M/20..., KP6M/30...

Технические характеристики KP6M/10..., KP6M/20..., KP6M/30...

Максимальное рабочее давление бар 320
Минимальное давление управления бар 5
Расход рабочей жидкости при Δp=2,5 бар л/мин 20
Рабочая температура жидкости °C -20...+80
Температура окружающей среды °C -20...+50
Вязкость жидкости сСт 10...400
Чистота рабочей жидкости мм 0,025
Масса клапана не более кг 1,4

Структура условного обозначения KP6M/

Назад к списку