Вы здесь
Гидроклапаны предохранительные МКПВ-10/3Т, МКПВ-20/3Т, МКПВ-32/3Т
Предохранительные гидроклапаны моделей МКПВ-10/3Т*, МКПВ-20/3Т* и МКПВ-32/3Т* предназначены для защиты гидросистем от перегрузок при повышении давления, поддержания заданного давления и дистанционной разгрузки гидравлических систем. Они монтируются на трубопроводы.
Применяются эти гидроклапаны в гидроприводах прессов, станков, литейных и литьевых машин, мобильной техники и других видов гидрофицированного оборудования.
Основные характеристики гидроклапанов МКПВ-10/3Т*, МКПВ-20/3Т* и МКПВ-32/3Т*: работа на минеральных маслах с фильтрацией 40-80 мкм, вязкость масла от 22 до 200 сантистокс при температуре от +10 до +70 °С; способ подключения — трубный монтаж.
Габаритные размеры
МКПВ-10/3Т2Р*, МКПВ-20/3Т2Р*, МКПВ-32/3Т2Р
Шифр | H не более | Lmax | A1±12/2 | A2±12/2 | D7H |
Гидроклапан МКПВ 10/3T2В * | 123 | 146,2 | 55,5 | 51 | G1/2" (M27x2) |
Гидроклапан МКПВ 10/3T2Р * | 152,5 | ||||
Гидроклапан МКПВ 10/3T2П * | 157,5 | ||||
Гидроклапан МКПВ 10/3T2К * | 184,5 | ||||
Гидроклапан МКПВ 20/3T2В * | 131 | 138,5 | 63 | 43 | G1" (M33x2) |
Гидроклапан МКПВ 20/3T2Р * | 144,5 | ||||
Гидроклапан МКПВ 20/3T2П * | 149,5 | ||||
Гидроклапан МКПВ 20/3T2К * | 176,5 | ||||
Гидроклапан МКПВ 32/3T2В * | 134 | 148,5 | 56 | 53 | G1 1/2" (M46x2) |
Гидроклапан МКПВ 32/3T2Р * | 154,5 | ||||
Гидроклапан МКПВ 32/3T2Р * | 159,5 | ||||
Гидроклапан МКПВ 32/3T2К * | 186,5 |
МКПВ-10/3Т3Р*, МКПВ-20/3Т3Р*, МКПВ-32/3Т4Р*
Шифр | H не более | Lmax | A1±12/2 | A2±12/2 | D7H |
Гидроклапан МКПВ 10/3T3В * | 190 | 166 | 55,5 | 51 | M27x2 (G1/2") |
Гидроклапан МКПВ 10/3T3Р * | 166 | ||||
Гидроклапан МКПВ 10/3T3П * | 166 | ||||
Гидроклапан МКПВ 10/3T3К * | 184,5 | ||||
Гидроклапан МКПВ 20/3T3В * | 206 | 158 | 63 | 43 | M33x2 (G1") |
Гидроклапан МКПВ 20/3T3Р * | 158 | ||||
Гидроклапан МКПВ 20/3T3П * | 158 | ||||
Гидроклапан МКПВ 20/3T3К * | 176,5 | ||||
Гидроклапан МКПВ 32/3T3В * | 209 | 168 | 56 | 53 | M46x2 (G1 1/2") |
Гидроклапан МКПВ 32/3T3Р * | 168 | ||||
Гидроклапан МКПВ 32/3T3Р * | 168 | ||||
Гидроклапан МКПВ 32/3T3К * | 186,5 | ||||
Гидроклапан МКПВ 10/3T4В * | 189 | 166 | 55,5 | 51 | M27x2 (G1/2") |
Гидроклапан МКПВ 10/3T4Р * | 166 | ||||
Гидроклапан МКПВ 10/3T4П * | 166 | ||||
Гидроклапан МКПВ 10/3T4К * | 184,5 | ||||
Гидроклапан МКПВ 20/3T4В * | 206 | 158 | 63 | 43 | M33x2 (G1") |
Гидроклапан МКПВ 20/3T4Р * | 158 | ||||
Гидроклапан МКПВ 20/3T4П * | 158 | ||||
Гидроклапан МКПВ 20/3T4К * | 176,5 | ||||
Гидроклапан МКПВ 32/3T4В * | 209 | 168 | 56 | 53 | M46x2 (G1 1/2") |
Гидроклапан МКПВ 32/3T4Р * | 168 | ||||
Гидроклапан МКПВ 32/3T4Р * | 168 | ||||
Гидроклапан МКПВ 32/3T4К * | 186,5 |
Технические характеристики МКПВ-10/3Т, МКПВ-20/3Т, МКПВ-32/3Т
Обозначение ( + устаревшее наименование) | Ду, мм | Номинальное давление, МПа | Диапазон регулировки, МПа | Номинальный расход, л/мин | Вид управления разгрузкой | Масса, кг |
Клапан МКПВ10/3Т2Р | 10 | 6,3 | 0,3-0,7 | 80,0 | Дистанционное гидравлическое управление разгрузкой | 3,45 |
Клапан МКПВ10/3Т2Р1 (аналог 10-10-1-11) | 10,0 | 0,5-12,5 | ||||
Клапан МКПВ10/3Т2Р2 (аналог 10-20-1-11) | 20,0 | 2,0-25,0 | ||||
Клапан МКПВ10/3Т2Р3 (аналог 10-32-1-11) | 32,0 | 5,0-35,0 | ||||
Клапан МКПВ20/3Т2Р | 20 | 6,3 | 0,3-0,7 | 160,0 | 4,15 | |
Клапан МКПВ20/3Т2Р1 (аналог 20-10-1-11) | 10,0 | 0,5-12,5 | ||||
Клапан МКПВ20/3Т2Р2 (аналог 20-20-1-11) | 20,0 | 2,0-25,0 | ||||
Клапан МКПВ20/3Т2Р3 (аналог 20-32-1-11) | 32,0 | 5,0-35,0 | ||||
Клапан МКПВ32/3Т2Р | 32 | 6,3 | 0,3-0,7 | 320,0 | 5,95 | |
Клапан МКПВ32/3Т2Р1 (аналог 32-10-1-11) | 10,0 | 0,5-12,5 | ||||
Клапан МКПВ32/3Т2Р2 (аналог 32-20-1-11) | 20,0 | 2,0-25,0 | ||||
Клапан МКПВ32/3Т2Р3 (аналог 32-32-1-11) | 32,0 | 5,0-35,0 | ||||
Клапан МКПВ10/3Т3Р | 10 | 6,3 | 0,3-0,7 | 80,0 | Электромагнитное управление разгрузкой, нормально разгруженный | 3,45 |
Клапан МКПВ10/3Т3Р1 (аналог 10-10-1-133(-131,-132)) | 10,0 | 0,5-12,5 | ||||
Клапан МКПВ10/3Т3Р2 (аналог 10-20-1-133(-131,-132)) | 20,0 | 2,0-25,0 | ||||
Клапан МКПВ10/3Т3Р3 (аналог 10-32-1-133(-131,-132)) | 32,0 | 5,0-35,0 | ||||
Клапан МКПВ20/3Т3Р | 20 | 6,3 | 0,3-0,7 | 160,0 | 4,15 | |
Клапан МКПВ20/3Т3Р1 (аналог 20-10-1-133(-131,-132)) | 10,0 | 0,5-12,5 | ||||
Клапан МКПВ20/3Т3Р2 (аналог 20-20-1-133(-131,-132)) | 20,0 | 2,0-25,0 | ||||
Клапан МКПВ20/3Т3Р3 (аналог 20-32-1-133(-131,-132)) | 32,0 | 5,0-35,0 | ||||
Клапан МКПВ32/3Т3Р | 32 | 6,3 | 0,3-0,7 | 320,0 | 5,95 | |
Клапан МКПВ32/3Т3Р1 (аналог 32-10-1-133(-131,-132)) | 10,0 | 0,5-12,5 | ||||
Клапан МКПВ32/3Т3Р2 (аналог 32-20-1-133(-131,-132)) | 20,0 | 2,0-25,0 | ||||
Клапан МКПВ32/3Т3Р3 (аналог 32-32-1-133(-131,-132)) | 32,0 | 5,0-35,0 | ||||
Клапан МКПВ10/3Т4Р | 10 | 6,3 | 0,3-0,7 | 80,0 | Электромагнитное управление разгрузкой, нормально нагруженный | 3,45 |
Клапан МКПВ10/3Т4Р1 | 10,0 | 0,5-12,5 | ||||
Клапан МКПВ10/3Т4Р2 | 20,0 | 2,0-25,0 | ||||
Клапан МКПВ10/3Т4Р3 | 32,0 | 5,0-35,0 | ||||
Клапан МКПВ20/3Т4Р | 20 | 6,3 | 0,3-0,7 | 160,0 | 4,15 | |
Клапан МКПВ20/3Т4Р1 | 10,0 | 0,5-12,5 | ||||
Клапан МКПВ20/3Т4Р2 | 20,0 | 2,0-25,0 | ||||
Клапан МКПВ20/3Т3Р3 | 32,0 | 5,0-35,0 | ||||
Клапан МКПВ32/3Т4Р | 32 | 6,3 | 0,3-0,7 | 320,0 | 5,95 | |
Клапан МКПВ32/3Т4Р1 | 10,0 | 0,5-12,5 | ||||
Клапан МКПВ32/3Т4Р2 | 20,0 | 2,0-25,0 | ||||
Клапан МКПВ32/3Т4Р3 | 32,0 | 5,0-35,0 |
Гидравлические схемы клапанов давления МКПВ трубного монтажа
Номер схемы | Обозначение клапана | Условное обозначение | Функция клапана |
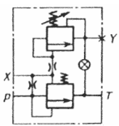
2 | МКПВ-10/3Т2Р, МКПВ-10/3Т2Р1, МКПВ-10/3Т2Р2, МКПВ-10/3Т2Р3 МКПВ-20/3Т2Р, МКПВ-20/3Т2Р1, МКПВ-20/3Т2Р2, МКПВ-20/3Т2Р3 МКПВ-32/3Т2Р, МКПВ--32/3Т2Р1, МКПВ-32/3Т2Р2, МКПВ-32/3Т2Р3 |
![]() |
Предохранение гидросистемы от перегрузок, поддержание настроенного давления и дистанционная разгрузка путём соединения отверстия Х со сливной линией |
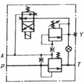
3 | МКПВ-10/3Т3Р, МКПВ-10/3Т3Р1, МКПВ-10/3Т3Р2, МКПВ-10/3Т3Р3 МКПВ-20/3Т3Р, МКПВ-20/3Т3Р1, МКПВ-20/3Т3Р2, МКПВ-20/3Т3Р3 МКПВ-32/3Т3Р, МКПВ-32/3Т3Р1, МКПВ-32/3Т3Р2, МКПВ-32/3Т3Р3 |
![]() |
Предохранение гидро системы от перегрузок и поддержание настроенного давления при включённом электромагните пилота, разгрузка – при выключённом |
4 | МКПВ-10/3Т4Р, МКПВ-10/3Т4Р1, МКПВ-10/3Т4Р2, МКПВ-10/3Т4Р3 МКПВ-20/3Т4Р, МКПВ-20/3Т4Р1, МКПВ-20/3Т4Р2, МКПВ-20/3Т4Р3 МКПВ-32/3Т4Р, МКПВ-32/3Т4Р1, МКПВ-32/3Т4Р2, МКПВ-32/3Т4Р1 |
![]() |
Предохранение гидро системы от перегрузок и поддержание настроенного давления при выключённом электромагните пилота, разгрузка – при включённом |