Вы здесь
Гидроклапаны предохранительные МКПВ-16/3Ф, МКПВ-25/3Ф, МКПВ-32/3Ф, МКПВ-25/3П
Гидроклапаны моделей МКПВ-16/3Ф..., МКПВ-25/3Ф..., МКПВ-32/3Ф... и МКПВ-25/3П... предназначены для защиты гидросистемы от перегрузок, поддержания заданного давления, а также для разгрузки гидросистемы и выбора настроенного давления в зависимости от поданного электрического сигнала.
Область применения этих вставных клапанов включает гидроприводы прессов, станков, литейных и литьевых машин, мобильной техники и другого гидрофицированного оборудования.
Эти гидроклапаны являются аппаратами непрямого действия, состоящими из затвора и фланца. Затвор включает подпружиненный клапан, взаимодействующий с гильзой, установленной в переходной втулке.
Во фланце находится управляющий каскад, который включает три управляющих гидроклапана давления прямого действия и гидропилот, последовательно подключающий их к надклапанной полости основного клапана в соответствии с поданным электрическим сигналом.
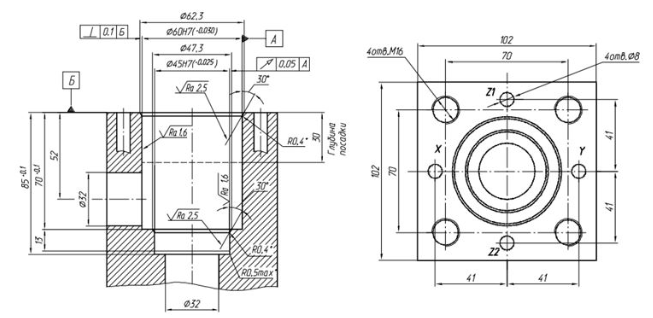
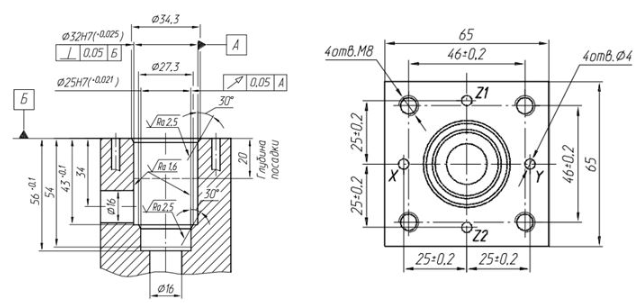
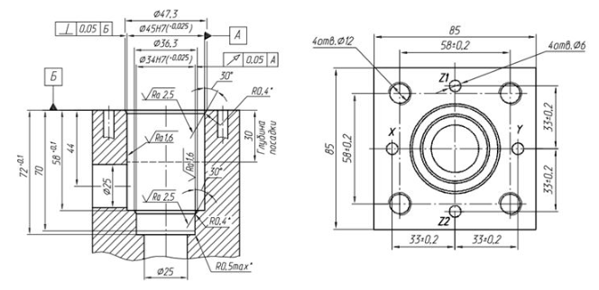
Габаритные размеры
МКПВ-16/3Ф.., ДУ 16
МКПВ-25/3Ф.., ДУ 25
МКПВ-32/3Ф.., ДУ 32
Технические характеристики МКПВ вставного монтажа
Обозначение | МКПВ 16/3Ф... | МКПВ 25/3Ф... МКПВ 25/3П... |
МКПВ 32/3Ф... |
Исполнение по номинальному давлению настройки, МПа | 10, 20, 32 | 10, 20, 32 | 10, 20, 32 |
Условный проход, мм | 16 | 25 | 32 |
Давление на входе ном. / макс. / мин., МПа: при номинальном давлении настройки 10 МПа при номинальном давлении настройки 20 МПа при номинальном давлении настройки 32 МПа |
10 / 12 / 0,5 20 / 25 / 2 32 / 35 / 5 |
10 / 12 / 0,5 20 / 25 / 2 32 / 35 / 5 |
10 / 12 / 0,5 20 / 25 / 2 32 / 35 / 5 |
Максимальное давление разгрузки, МПа | 0,35 | 0,5 | 0,5 |
Расход рабочей жидкости ном. / макс. / мин., л/мин | 63 / 200 / 2 | 160 / 400 / 2,5 | 450 / 750 / 3 |
Время нарастания давления после прекращения разгрузки не более, с | 0,2 | 0,2 | 0,2 |
Превышение давления настройки гидроклапана при мгновенном возрастании давления, МПа | 2,5 | 2,5 | 3,5 |
Масса гидроклапанов МКПВ-16/3Ф, МКПВ-25/3Ф, МКПВ-32/3Ф, МКПВ-25/3П в зависимости от конструктивно-функционального исполнения
Обозначение гидроклапана | Условный проход | Исполнение по конструктивно-функц. признакам | Масса не более, кг |
Гидроклапан МКПВ-16/3Ф1 | 16 | С соосной компоновкой управляющего клапана относительно основного | 1,65 |
Гидроклапан МКПВ-16/3Ф2 | 16 | С поперечной компоновкой управляющего клапана относительно основного | 2,15 |
Гидроклапан МКПВ-16/3Ф3 | 16 | С поперечной компоновкой управляющего клапана относительно основного, с электрогидравлической разгрузкой, нормально разгруженный | 2,15 |
Гидроклапан МКПВ-16/3Ф4 | 16 | С поперечной компоновкой управляющего клапана относительно основного, с электрогидравлической разгрузкой, нормально нагруженный | 3,75 |
Гидроклапан МКПВ-16/3Ф5 | 16 | С двумя вспомогательными клапанами с нормальной рабочей ступенью высокого давления | 4,05 |
Гидроклапан МКПВ-16/3Ф6 | 16 | С двумя вспомогательными клапанами с нормальной рабочей ступенью низкого давления | 6,3 |
Гидроклапан МКПВ-16/3Ф7 | 16 | С двумя вспомогательными клапанами, нормально разгруженный | 6,3 |
Гидроклапан МКПВ-16/3Ф8 | 16 | С дистанционным гидравлическим управлением с функцией предохранения | 6,55 |
Гидроклапан МКПВ-16/3Ф9 | 16 | С дистанционным гидравлическим управлением без функции предохранения | 2,35 |
Гидроклапан МКПВ-16/3Ф10 | 16 | С тремя вспомогательными клапанами | 2,35 |
Гидроклапан МКПВ-16/3Ф11 | 16 | С соосной компоновкой управляющего клапана относительно основного и обратным клапаном в линии управления дистанционной разгрузки | 2,65 |
Гидроклапан МКПВ-16/3Ф12 | 16 | С поперечной компоновкой управляющего клапана относительно основного и обратным клапаном в линии управления дистанционной разгрузки | 2,35 |
Гидроклапан МКПВ-16/3Ф13 | 16 | С двумя вспомогательными клапанами c нормально рабочей ступенью высокого давления и обратным клапаном в линии управления дистанционной разгрузки | 6,3 |
Гидроклапан МКПВ-16/3Ф14 | 16 | С двумя вспомогательными клапанами c нормально рабочей ступенью низкого давления и обратным клапаном в линии управления дистанционной разгрузки | 6,3 |
Гидроклапан МКПВ-25/3Ф1 | 25 | С соосной компоновкой управляющего клапана относительно основного | 3,35 |
Гидроклапан МКПВ-25/3Ф2 | 25 | С поперечной компоновкой управляющего клапана относительно основного | 3,15 |
Гидроклапан МКПВ-25/3Ф3 | 25 | С поперечной компоновкой управляющего клапана относительно основного, с электрогидравлической разгрузкой, нормально разгруженный | 4,65 |
Гидроклапан МКПВ-25/3Ф4 | 25 | С поперечной компоновкой управляющего клапана относительно основного, с электрогидравлической разгрузкой, нормально нагруженный | 4,95 |
Гидроклапан МКПВ-25/3Ф5 | 25 | С двумя вспомогательными клапанами с нормальной рабочей ступенью высокого давления | 7,2 |
Гидроклапан МКПВ-25/3Ф6 | 25 | С двумя вспомогательными клапанами с нормальной рабочей ступенью низкого давления | 7,2 |
Гидроклапан МКПВ-25/3Ф7 | 25 | С двумя вспомогательными клапанами, нормально разгруженный | 7,5 |
Гидроклапан МКПВ-25/3Ф8 | 25 | С дистанционным гидравлическим управлением с функцией предохранения | 3,35 |
Гидроклапан МКПВ-25/3Ф9 | 25 | С дистанционным гидравлическим управлением без функции предохранения | 3,35 |
Гидроклапан МКПВ-25/3Ф10 | 25 | С тремя вспомогательными клапанами | 10,05 |
Гидроклапан МКПВ-25/3Ф11 | 25 | С соосной компоновкой управляющего клапана относительно основного и обратным клапаном в линии управления дистанционной разгрузки | 3,15 |
Гидроклапан МКПВ-25/3Ф12 | 25 | С поперечной компоновкой управляющего клапана относительно основного и обратным клапаном в линии управления дистанционной разгрузки | 3,15 |
Гидроклапан МКПВ-25/3Ф13 | 25 | С двумя вспомогательными клапанами c нормально рабочей ступенью высокого давления и обратным клапаном в линии управления дистанционной разгрузки | 7,2 |
Гидроклапан МКПВ-25/3Ф14 | 25 | С двумя вспомогательными клапанами c нормально рабочей ступенью низкого давления и обратным клапаном в линии управления дистанционной разгрузки | 7,2 |
Гидроклапан МКПВ-25/3П2 | 25 | С поперечной компоновкой управляющего клапана относительно основного | 1,95 |
Гидроклапан МКПВ-25/3П3 | 25 | С поперечной компоновкой управляющего клапана относительно основного, с электрогидравлической разгрузкой, нормально разгруженный | 3,35 |
Гидроклапан МКПВ-32/3Ф1 | 32 | С соосной компоновкой управляющего клапана относительно основного | 4,35 |
Гидроклапан МКПВ-32/3Ф2 | 32 | С поперечной компоновкой управляющего клапана относительно основного | 4,85 |
Гидроклапан МКПВ-32/3Ф3 | 32 | С поперечной компоновкой управляющего клапана относительно основного, с электрогидравлической разгрузкой, нормально разгруженный | 6,25 |
Гидроклапан МКПВ-32/3Ф4 | 32 | С поперечной компоновкой управляющего клапана относительно основного, с электрогидравлической разгрузкой, нормально нагруженный | 6,25 |
Гидроклапан МКПВ-32/3Ф5 | 32 | С двумя вспомогательными клапанами с нормальной рабочей ступенью высокого давления | 9,3 |
Гидроклапан МКПВ-32/3Ф6 | 32 | С двумя вспомогательными клапанами с нормальной рабочей ступенью низкого давления | 9,3 |
Гидроклапан МКПВ-32/3Ф7 | 32 | С двумя вспомогательными клапанами, нормально разгруженный | 9,65 |
Гидроклапан МКПВ-32/3Ф8 | 32 | С дистанционным гидравлическим управлением с функцией предохранения | 4,85 |
Гидроклапан МКПВ-32/3Ф9 | 32 | С дистанционным гидравлическим управлением без функции предохранения | 4,85 |
Гидроклапан МКПВ-32/3Ф10 | 32 | С тремя вспомогательными клапанами | 13,55 |
Гидроклапан МКПВ-32/3Ф11 | 32 | С соосной компоновкой управляющего клапана относительно основного и обратным клапаном в линии управления дистанционной разгрузки | 4,99 |
Гидроклапан МКПВ-32/3Ф12 | 32 | С поперечной компоновкой управляющего клапана относительно основного и обратным клапаном в линии управления дистанционной разгрузки | 4,85 |
Гидроклапан МКПВ-32/3Ф13 | 32 | С двумя вспомогательными клапанами c нормально рабочей ступенью высокого давления и обратным клапаном в линии управления дистанционной разгрузки | 9,3 |
Гидроклапан МКПВ-32/3Ф14 | 32 | С двумя вспомогательными клапанами c нормально рабочей ступенью низкого давления и обратным клапаном в линии управления дистанционной разгрузки | 9,3 |