Вы здесь
Гидроклапаны предохранительные МКПВ-4/3С (Ду=4 мм)
Гидроклапаны предохранительные моделей МКПВ-4/3СВ1, МКПВ-4/3СВ2, МКПВ-4/3СВ3, МКПВ-4/3СР1, МКПВ-4/3СР2 и МКПВ-4/3СР3 стыкового типа с диаметром условного прохода 4 мм предназначены для поддержания заданного давления, защиты гидросистемы от превышения давления и разгрузки её от давления.
Предохранительные клапаны МКПВ 4/3С применяются в гидроприводах прессов, станков, литейных и литьевых машин, а также другого промышленного оборудования.
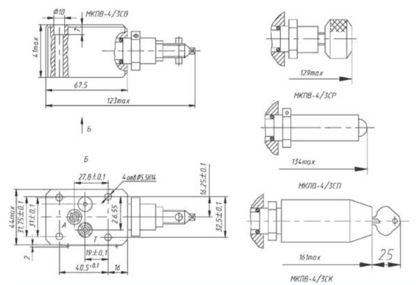
Габаритные размеры МКПВ-4/3С (Ду=4 мм)
Технические характеристики МКПВ-4/3С (Ду=4 мм)
Обозначение | Клапан МКПВ-4/3СВ1 | Клапан МКПВ-4/3СВ2 | Клапан МКПВ-4/3СВ3 |
Клапан МКПВ-4/3СР1 | Клапан МКПВ-4/3СР2 | Клапан МКПВ-4/3СР3 | |
Условный проход, мм | 4 | ||
Диапазон регулировки давления, МПа | 0,5...10 | 1...20 | 2...32 |
Расход рабочей жидкости номинальный / максимальный / минимальный, дм³/мин | 4 / 5 / 2 | ||
Внутренняя герметичность (максимальные внутренние утечки), см³/мин | 20 | 25 | 30 |
Максимальное превышение давления настройки клапана при мгновенном возрастании давления, % | 2,5 | ||
Момент силы настройки не более, Нм | 0,6 | ||
Определяющий параметр (передаваемая мощность), равный произведению величин номинального давления и номинального расхода, МПа*л/мин | 40 | 80 | 128 |