Вы здесь

Гидроклапаны предохранительные модульного монтажа КЕМ-102 

Гидроклапаны давления КЕМ102-1, КЕМ102-2, КЕМ102-3, КЕМ102-4 модульного монтажа предназначены для использования в гидросистемах станков и других гидрофицированных машин в качестве клапана разности давлений, клапана последовательности, предохранительного клапана, переливного клапана.

 

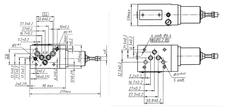
Габаритные размеры КЕМ-102

Технические характеристики КЕМ-102

Обозначение Гидроклапан КЕМ-102-1 Гидроклапан КЕМ-102-2 Гидроклапан КЕМ-102-3 Гидроклапан КЕМ-102-4
Условный проход, мм 10
Давление настройки номинальное, МПа 2,5 6,3 10,0 20,0
Давление настройки максимальное, МПа 2,8 7,0 11,2 23,0
Расход рабочей жидкости ном. / макс. / мин., л/мин 40 / 40 / 1
Номинальный перепад давлений клапана, МПа 3,65

Структура условного обозначения КЕМ 102

Назад к списку