Вы здесь
Гидроклапаны предохранительные модульного монтажа КПМ 6/3
Предохранительные гидроклапаны моделей КПМ-6/3В1, КПМ-6/3В2, КПМ-6/3В3 и КПМ-6/3В4 предназначены для защиты системы от перегрузок и поддержания стабильного давления.
Данные клапаны модульного монтажа используются для упрощения конструкции трубопроводов, сокращения их количества и модернизации существующего оборудования, при этом сохраняются все основные параметры.
Применяются они в гидроприводах прессов, станков, литейных и литьевых машин, мобильной техники и другого гидравлического оборудования.
Клапаны КПМ6/3.В1, КПМ6/3.В2, КПМ6/3.В3 и КПМ6/3.В4 работают на минеральных маслах с вязкостью от 10 до 400 сСт и фильтрацией до 25 мкм.
Рабочая температура масла должна быть в диапазоне от +20 до +50 °С, а температура окружающей среды — от 0 до +50 °С. Присоединение осуществляется через модульный монтаж.
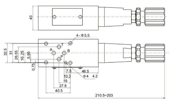
Габаритные размеры КПМ 6/3
Технические характеристики КПМ 6/3
Обозначение | Условный проход, мм | Номинальное давление настройки, МПа | Диапазон регулирования давления, МПа | Номинальный расход, л/мин | Масса, кг |
Клапан КПМ6/3В1 | 6 | 2,0 | 0,8-7,0 | 35,0 | 1,3 |
Клапан КПМ6/3В2 | 6,3 | 3,5-14,0 | |||
Клапан КПМ6/3В3 | 20,0 | 7,0-25,0 | |||
Клапан КПМ6/3В4 | 32,0 | 10,0-32,0 |