Вы здесь

Гидроклапаны предохранительные MRQ модульные (Ду=6 мм) 

Перепускной предохранительный клапан MRQ с пилотным управлением и модульным монтажом можно устанавливать с любыми модульными клапанами CETOP 03 без дополнительных трубопроводов, используя только стандартные шпильки или болты. Клапан соответствует стандартам CETOP и ISO.

Гидроклапаны MRQ модульного типа (с диаметром Ду=6 мм) могут быть предложены как с одиночным регулированием на одной магистрали (модели MRQ-SP, MRQ-SAT, MRQ-SBT, MRQ-SB), так и с двойным регулированием на двух магистралях (модели MRQ-D, MRQ-DT).

Основное предназначение гидроклапана MRQ — это ограничение давления в гидравлических системах. Клапан доступен в четырех диапазонах настройки давления: до 70 бар, до 140 бар, до 210 бар и до 350 бар.

В стандартной комплектации регулировка давления осуществляется с помощью винта с шестигранной головкой и стопорной гайкой, а также с ограничением максимального хода.

Конфигурации MRQ

  • Конфигурация «SP»: клапан MRQ3 (4,5,6)-SP контролирует давление в магистрали P со сбросом в T.
  • Конфигурация «SAT»: клапан MRQ3 (4,5,6)-SAT контролирует давление в магистрали A со сбросом в T.
  • Конфигурация «SBT»: клапан MRQ3 (4,5,6)-SBT контролирует давление в магистрали B со сбросом в T.
  • Конфигурация «DT»: клапан MRQ3 (4,5,6)-DT контролирует давление в магистралях A-B со сбросом в T.
  • Конфигурация «D»: клапан MRQ3 (4,5,6)-D контролирует давление в магистралях A-B с перекрестными сбросами.
  • Конфигурация «SB»: клапан MRQ3 (4,5,6)-SB контролирует давление в магистралях B со сбросом в A.

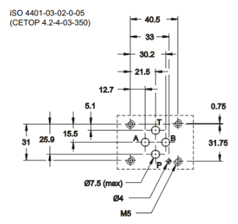
Монтажная поверхность MRQ (CETOP-03)

Гидравлические схемы MRQ

Габаритные размеры MRQ

1 Стопорная гайка: гаечный ключ 17
2 Регулировочный винт с внутренней шестигранной головкой: шестигранный ключ 5 (стандарт)
Вращение по часовой стрелке увеличивает давление.
3 Монтажная поверхность с уплотнительными кольцами: 4 шт. типа OR 2037
4 Ручка регулировки: M1

Технические характеристики MRQ

Максимальное рабочее давление бар 350
Максимальный расход в магистралях регулируемого расхода и в свободных магистралях л/мин 75
Температура окружающей среды °C -20...+50
Рабочая температура жидкости °C -20...+80
Вязкость жидкости сСт 10...400
Рекомендуемая вязкость сСт 25
Допустимый уровень загрязнения жидкости Класс 5/6 по NAS 1638
Масса: MRQ - SP / MRQ - SAT /
MRQ - SBT / MRQ - SB
кг 1,4
Масса: MRQ - D / MRQ - DT кг 2,1

Диаграммы характеристик MRQ

Структура обозначения MRQ

Назад к списку