Вы здесь
Гидроклапаны предохранительные переливные ARE-06, ARE-15
Предохранительные переливные гидроклапаны ARE-06 и ARE-15 предназначены для поддержания заданного уровня давления, соединяя напорную линию с линией слива в гидросистемах станков, прессов и другого оборудования с гидравлическим приводом.
Поток от Р к Т происходит, когда давление приводит в движение тарелку (1), преодолевая сопротивление пружины (2).
Регулировка давления осуществляется воздействием на пружину с помощью гайки (3) или опциональной рукоятки (4). Вращение по часовой стрелке увеличивает давление.
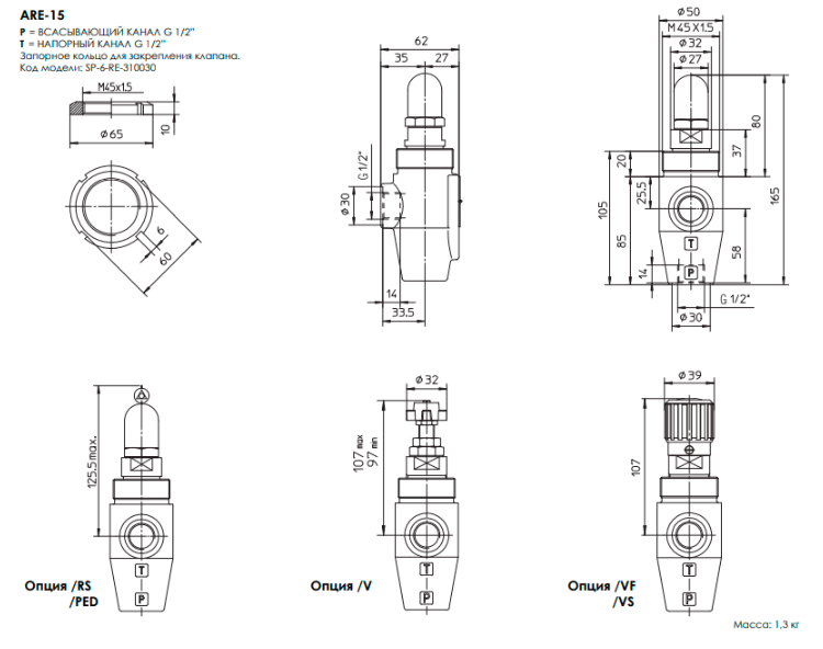
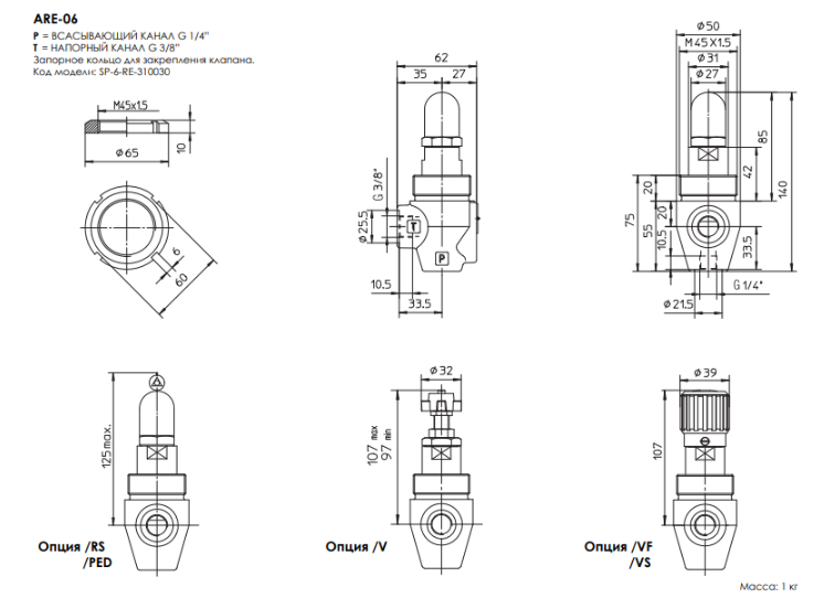
Клапаны ARE поставляются в двух исполнениях по присоединению к напорной магистрали "Р":
- ARE-06 - присоединение P = G1/4";
- ARE-15 - присоединение P = G1/2".
Также возможны опции безопасности с опломбированным регулятором:
- /RS соответствует Директивам Машиностроения (98/37/СЕ). Установленная регулировка соответствует давлению срабатывания клапана.
- /PED соответствует Директивам PED (97/23/CE). Давление устанавливается для: ARE-06: 30 л/мин; ARE-15: 50 л/мин.
Обозначение на гидросхемах
Габаритные размеры
ARE-06
ARE-15
Технические характеристики ARE-06, ARE-15
Положение в пространстве | Любое |
Характеристика стыковочной поверхности | Шероховатость Ra 0.4, неплоскостность 0.01/100 (ISO 1101) |
Температура окружающей среды | от -20°C до + 70°C |
Рабочая жидкость | Гидравлическое масло по DIN 51524...535; по остальным жидкостям см. раздел [ 1 ] |
Рекомендуемая вязкость | 15÷100 сСт при 40ºС (ISO VG 15÷100) |
Класс чистоты рабочей жидкости | ISO 19/16 ( тонкости фильтрации 25 мкм при β ≥ 75) |
Температура рабочей жидкости | от -20ºС до +60ºС (стандартные и /WG уплотнения) от -20ºС до +80ºС (уплотнения /PE) |
Гидравлические характеристики ARE-06 и ARE-15
Модель клапана | ARE-06 | ARE-15 | |||||||||
Настройка | - | /50 | /100 | /210 | /350 | /500 | /15 | /50 | /75 | /150 | /250 |
/RS | - | /220 | /270 | /320 | /350 | - | /150 | /190 | /230 | - | |
/PED | - | /100 | /210 | /350 | - | - | - | /75 | /150 | /250 | |
Диапазон давлений (бар) | - | 2÷50 | 3÷100 | 10÷210 | 15÷350 | 30÷500 | 2÷15 | 3÷50 | 4÷75 | 8÷150 | 8÷250 |
/RS | - | 200÷250 | 250÷290 | 290÷350 | 310÷370 | - | 130÷170 | 170÷210 | 210÷250 | - | |
/PED | - | - | - | - | - | - | - | 25÷75 | 75÷150 | 150÷250 | |
Максимальный расход (л/мин) | - | 40 | 75 | ||||||||
/RS, /PED | 60 | 100 |