Вы здесь

Гидроклапаны предохранительные ZDB6, Z2DB6 модульные (Ду=6 мм) 

Предохранительные клапаны ZDB6 и Z2DB6 с пилотным управлением предназначены для ограничения и поддержания давления в гидравлической системе на установленном уровне.

Данные предохранительные переливные клапаны относятся к модульной аппаратуре, что означает, что они могут быть установлены вместе с другими устройствами, соответствующими стандарту CETOP3 (с диаметром Ду=6 мм), без необходимости дополнительных трубопроводов для монтажа.

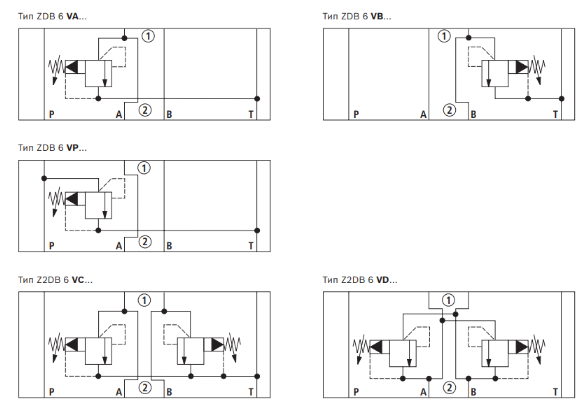
Модульные клапаны доступны в вариантах для контроля давления в одной магистрали (ZDB6-VA, ZDB6-VP, ZDB6-VB) и для регулировки давления в двух линиях (Z2DB6-VD, Z2DB6-VC).

Для настройки давления в стандартной комплектации используется шестигранная гильза.

Наиболее распространены модели с рукояткой со шкалой или без шкалы, реже встречаются варианты с замковым устройством для ключа.

Устройство и принцип работы ZDB-6 и Z2DB-6

Устройство и принцип работы на примере клапана ZDB6 VA2 - контроль давления в линии (А), настройка давления шестигранной гильзой с колпачком.

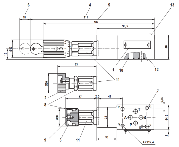
Модульный предохранительный клапан состоит из корпуса (7), в котором размещены один (для ZDB) или два (для Z2DB) встраиваемых клапана давления, регулировка которых осуществляется при помощи регулировочного винта (4). В исходном положении клапаны закрыты. Давление в регулируемом канале (А) давит на поршень (1) и одновременно через отверстие (2) воздействует на поршень (1) со стороны пружины. Так же давление через сопло (3), соединенное с отверстием (2), действует на конусный элемент (6) клапана, поджатым с другой стороны пружиной (5).

При превышении настроенного элементом (4) и пружиной (5) давления в канале (А) клапан (6) перемещается, сжимая пружину. При этом через сопло (3) рабочая жидкость поступает в канал (8) соединенный с сливной магистралью (Т). Так же, возникающий перепад давления перемещает поршень (1) влево и соединяет канал (А) с (Т).

Конфигурации клапанов (гидравлические схемы)

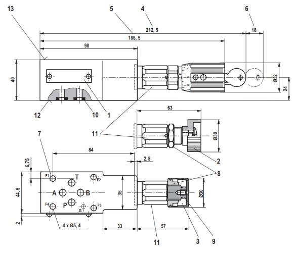
Габаритные размеры

ZDB6 VA...

Z2DB6 VС... и Z2DB6 VD...

ZDB6 VB... и ZDB6 VP

Технические характеристики ZDB-6 и Z2DB-6

Максимальное рабочее давление, бар 315
Максимальное давление настройки, бар 50; 100; 200; 315
Максимальное противодавление (порт Y), бар 315
Максимальный объемный расход, л/мин 60
Диапазон окружающих температур, C от -20 до +80
Диапазон температур рабочей жидкости, C от -20 до +80
Рабочая жидкость Рабочая жидкость на минеральной основе (HL, HLP)согласно DIN 51524; биологически быстро разлагаемая рабочая жидкость согласно VDMA 24568; HETG (рапсовое масло); HEPG (полигликоль); HEES (синтетические эфиры)
Степень загрязнения рабочей жидкости, класс чистоты согласно ISO 4406 класс 20/18/15
Положение при монтаже любое
Масса, кг
Тип ZDB6 1
Тип Z2DB6 1,2

Структура обозначения ZDB-6 и Z2DB-6

Назад к списку