Клапан предохранительный PRM5 

Предохранительный перепускной гидроклапан PRM5 модульного монтажа с пилотным управлением предназначен для защиты гидросистем от перегрузок и поддержания заданного давления.

Клапан PRM5 соответствует стандарту CETOP 05 и может быть установлен вместе с другими клапанами, имеющими аналогичную модульную монтажную поверхность, без необходимости использования дополнительных элементов, таких как монтажные плиты, трубопроводы или соединения.

Для монтажа используются шпильки или винты нужного размера.

В гидроклапанах PRM5 контроль давления может осуществляться как в одном из каналов (модификации PT, AT, BT), так и в двух каналах одновременно (модификация DT).

Контроль давления доступен в четырех диапазонах: до 70 бар, до 140 бар, до 210 бар и до 320 бар.

Устройство предохранительного клапана PRM5

Монтажная поверхность PRM5 (CETOP-05)

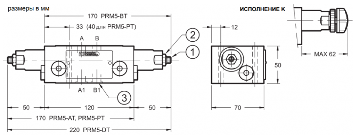
Габаритные размеры PRM5

1 Винт для настройки давления с потайной шестигранной головкой под ключ 4 (вращение по часовой стрелке увеличивает давление)
2 Шестигранная контргайка гаечный под ключ 13
3 Монтажная поверхность с пятью уплотнительными кольцами круглого сечения.
Кольца: OR 2050 (12,42 х 1,78) = 5 шт.

Технические характеристики PRM5

Рабочее давление, максимальное бар 350
Максимальный расход в регулируемых и свободных магистралях л/мин 120
Температура окружающей среды °C -20 / +60
Температура жидкости °C -20 / +80
Вязкость жидкости сСт 10...400
Диапазон вязкостей жидкости сСт 10...400
Рекомендуемая вязкость сСт 25
Уровень загрязнения жидкости Класс 10 по NAS 1638
Масса: PRM5-PT (-AT, -BT) кг 2,8
Масса: PRM5-DT (-D) кг 3,0

Структура обозначения и технические характеристики

Обозначение PRM5 на гидравлических схемах

Назад к списку