Вы здесь
Клапан предохранительный PRM7*
Клапаны PRM7-PT6/10N/S(K), PRM7-PT5/10N/S(K), PRM7-PT4/10N/S(K) (ранее известные как RQ07M*-SP) представляют собой перепускные предохранительные клапаны с пилотным управлением в модульном исполнении, соответствующие стандартам CETOP и ISO.
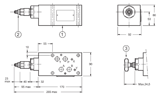
Клапаны PRM7* могут быть установлены с любыми модульными клапанами CETOP 07 без использования трубопроводов, используя лишь соответствующие шпильки или болты.
Они также могут быть быстро установлены с направляющими клапанами DSP7* без необходимости дополнительных соединительных элементов.
Клапаны доступны в варианте для одиночной регулировки на магистрали P с сбросом в магистраль T и предлагают два диапазона настройки давления.
Обычно эти клапаны используются как ограничители давления в гидравлических системах и поставляются с винтовым регулятором.
Гидравлическая схема PRM7*
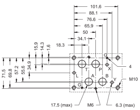
Габаритные размеры PRM7*
- = Монтажная поверхность с уплотнительными кольцами (OR): 4 шт. типа OR3087 4 шт. типа OR2043 (OR);
- = Стандартный регулировочный винт. Для увеличения давления вращать по часовой стрелке;
- = Ручка регулировки K (по заказу). Для увеличения давления вращать по часовой стрелке.
Технические характеристики PRM7*
Параметры | Клапан PRM7-PT4/10N/S(K) | Клапан PRM7-PT5/10N/S(K) | Клапан PRM7-PT6/10N/S(K) | |
Максимальное рабочее давление | бар | 350 | ||
Диапазон настройки давления | бар | до 160 | до 250 | до 320 |
Максимальный расход рабочей жидкости | л/мин | 300 | ||
Диапазон температур рабочей жидкости | °C | -20...+80 | ||
Рекомендуемая вязкость рабочей жидкости | сСт | 25 | ||
Класс чистоты рабочей жидкости | - | Класс 10 по NAS 1638 | ||
Масса клапана не более | кг | 8,5 |