Клапан предохранительный RQ4M 

Клапан RQ4M представляет собой предохранительный перепускной клапан с пилотным управлением, выполненный в модульном исполнении с монтажной поверхностью, соответствующей стандартам CETOP и ISO.

Данный клапан можно устанавливать вместе со всеми модульными клапанами CETOP 05 без необходимости использования трубопроводов, используя только соответствующие шпильки или винты.

Клапан RQ4M доступен в вариантах с одиночной регулировкой для одной контролируемой линии и с двойной регулировкой для двух контролируемых линий, предлагая четыре различных диапазона настройки давления.

Как правило, он применяется в гидравлических системах для ограничения давления.

В стандартной комплектации для настройки и регулирования давления используется винт с шестигранной головкой и стопорной гайкой, а также с ограничителем максимального хода.

Устройство предохранительного клапана RQ4M

Конфигурации:

  • Конфигурация «SP»: клапан RQ4M-3 (4,5,6)-SP контролирует давление в магистрали P со сбросом в T.
  • Конфигурация «SAT»: клапан RQ4M-3 (4,5,6)-SAT контролирует давление в магистрали A со сбросом в T.
  • Конфигурация «DT»: клапан RQ4M-3 (4,5,6)-DT контролирует давление в магистралях A-B со сбросом в T.
  • Конфигурация «D»: клапан RQ4M-3 (4,5,6)-D контролирует давление в магистралях A-B с перекрестными сбросами.

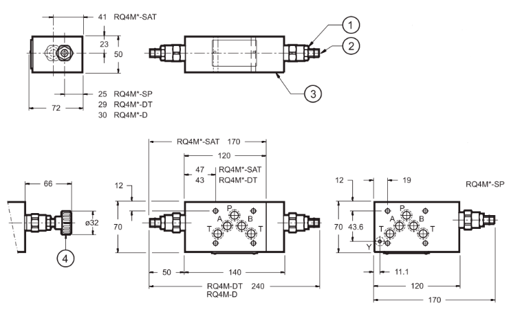
Габаритные размеры RQ4M

1 Контргайка: ключ 19 мм
2 Регулировочный винт с внутренней шестигранной головкой: ключ 6 мм
Для увеличения давления вращать по часовой стрелке
3 Монтажная поверхность с уплотнительными кольцами
типа OR2037 (4 шт.)
4 Ручка регулировки типа М1 (см. код )
5 Стопорное кольцо

Технические характеристики RQ4M

Максимальное рабочее давление бар 350
Максимальный расход в магистралях регулируемого расхода и в свободных магистралях л/мин 100
Рабочий диапазон температур окружающей среды °C -20...+50
Диапазон температур жидкости °C -20...+80
Вязкость жидкости сСт 10...400
Рекомендуемая вязкость сСт 25
Рекомендуемая очистка мкм <25
Уровень загрязнения жидкости (допустимый) Класс 5/6 по NAS 1638
Масса: RQ4M-SP / RQ4M-SAT / кг 2,6
Масса: RQ4M-D / RQ4M-DT кг 3,6

Монтажная поверхность RQ4M (CETOP-05)

Гидравлические схемы RQ4M

Структура обозначения RQ4M

Назад к списку