Вы здесь
Клапаны предохранительные RQ5-W и RQ7-W
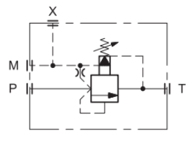
Клапаны RQ5-W* и RQ7-W* являются перепускными предохранительными клапанами с пилотным управлением и резьбовыми присоединениями.
Клапаны выпускаются в двух номинальных размерах и могут обрабатывать потоки до 400 л/мин. Главная ступень клапана оснащена коническим уплотнением.
Эти клапаны могут быть дистанционно управляемы через отверстие Х, например, с помощью клапана прямого действия CD1-W6/10 с расходом 3 л/мин.
Клапаны RQ5-W* и RQ7-W* могут перепускать полный поток от насоса даже при давлениях, близких к установленному значению.
Широкие проходы в клапанах способствуют снижению перепадов давления и нагрева жидкости за счет минимального перепада давления в клапане.
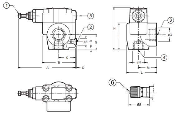
Габаритные размеры RQ5-W и RQ7-W
- Регулировочный винт под ключ на 13 мм. Для увеличения давления вращать по часовой стрелке
- Отверстие Х. G 1/4 (заглушено)
- = Выход Т. RQ5-W* = G 1, RQ7-W* = G 1 1/2
- = Вход P. RQ5-W* = G 3/4, RQ7-W* = G 1 1/4
- = Порт манометра 3/8 NPT (заглушен).
- = Рукоятка SICBLOC. Нажать и вращать одновременно.
Модель | A | B | C | D | ØE | F | G | H | I | L | M | ØN | ØO |
RQ5-W | 168 | 98 | 49 | 4 | 22 | 21.5 | 44.5 | 123 | 80 | 87 | 53 | 35.5 | 46 |
RQ7-W | 168 | 98 | 49 | 4 | 22 | 43 | 59.5 | 145 | 102 | 109 | 68 | 50 | 56 |
Технические характеристики RQ5-W и RQ7-W
Параметры | Клапан RQ5-W* | Клапан RQ7-W* | |
Максимальное рабочее давление | бар | 350 | |
Максимальный расход рабочей жидкости | л/мин | 250 | 400 |
Диапазон температур рабочей жидкости | °C | -20...+80 | |
Рекомендуемая вязкость рабочей жидкости | сСт | 25 | |
Класс чистоты рабочей жидкости | - | Класс 10 по NAS 1638 | |
Материал применяемых уплотнений | - | NBR | |
Масса клапана не более | кг | 4,1 | 8,0 |