Вы здесь

Модульные предохранительные клапаны HMP, HM, KM 

Предохранительные гидроклапаны моделей HMP, HM и KM предназначены для защиты гидравлической системы от перегрузок и поддержания стабильного давления.

Данные клапаны работают в гидросистемах, использующих минеральные гидравлические масла или синтетические жидкости с аналогичными смазывающими свойствами.

Клапаны применяются в гидроприводах прессов, станков, литейных и литьевых машин, мобильной техники и другого оборудования с гидравлическим приводом.

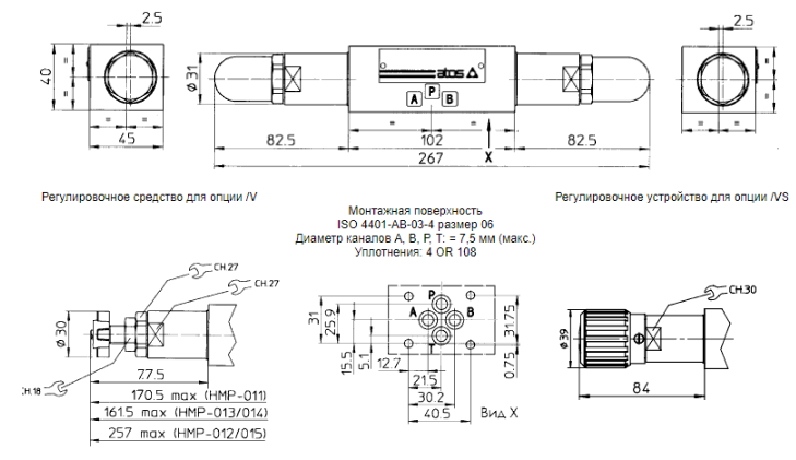
Для настройки давления необходимо ослабить контргайку 2 и повернуть винт 3, который закрыт колпачком 4. По запросу клапан может быть оснащен рукояткой 5 вместо винта 3. Вращение по часовой стрелке увеличивает давление.

Предохранительный клапаны доступны в трех исполнениях по размеру:

  • HMP - размер 06 по ISO4401; максимальный расход 35 л/мин; максимальное давление до 350 бар (35 МПа)
  • HM - размер 06 по ISO4401; максимальный расход 120 л/мин; максимальное давление до 350 бар (35 МПа)
  • KM - размер 10 по ISO4401; максимальный расход 120 л/мин; максимальное давление до 350 бар (35 МПа)

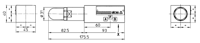
Габаритные размеры

HMP-011/50/V, HMP-011/100/V, HMP-011/210/VS, HMP-011/350/V

HMP-012/50/V, HMP-012/100/VS, HMP-012/210/V, HMP-012/350/V

HMP-013/50/VS, HMP-013/100/V, HMP-013/210/V, HMP-013/300/VS, НМР-014/50/V, HMP-014/100/V, НМР-014/210/V, HMP-014/350/VS

HMP-015/50/V, HMP-015/100/VS, HMP-015/210/V, HMP-015/350/V

Технические характеристики HMP, HM, KM

Монтажное положение Любое
Характеристика стыковочной поверхности Шероховатость Ra 0.4, неплоскостность 0,01/100 (ISO 1101)
Температура окружающей среды от -20 до +70 °C
Рабочая жидкость Гидравлические масла по DIN 51524...535, другие жидкости в соответствии со структурой обозначения
Рекомендуемая вязкость 15...100 сСт при 40 °C (ISO VG 15÷100)
Класс чистоты рабочей жидкости ISO 19/16, достигается при тонкости фильтрации 25 мкм и рекомендуемом показателе β ≥ 75
Температура рабочей жидкости от -20 до +60 °С (стандартные или /WG уплотнения), от -20 до +80 °С (уплотнения /PE)

Графики зависимости регулируемого давления от расхода (минеральное масло ISO VG 46 при 50°C)

Графики зависимости минимального давления от расхода (вязкость жидкости 25 сСт при 40°C)

Гидравлические конфигурации НМР, НМ, КМ

Условное обозначение

Назад к списку