Вы здесь

Предохранительные клапаны RQ3-P*, RQ5-P*, RQ7-P* 

Перепускные предохранительные клапаны с пилотным управлением RQ3-P*, RQ5-P*, RQ7-P* имеют главную ступень с клапаном с коническим уплотнением.

Эти клапаны предназначены для стыкового монтажа на промежуточной плите в соответствии со стандартами ISO 6264 (CETOP RP 121H).

Клапаны могут быть дистанционно управляемы через отверстие X (см. таблицу обозначений для гидравлических схем).

Клапаны RQ3-P*, RQ5-P*, RQ7-P* способны перепускать весь поток от насоса даже при давлениях, близких к установленному значению.

Широкие проходы в этих клапанах помогают снизить перепады давления, что улучшает энергетическую эффективность системы.

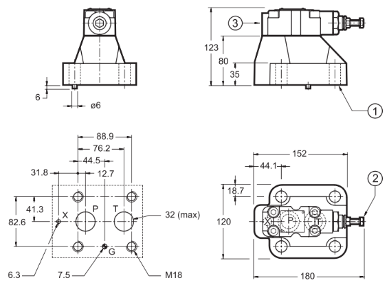
Габаритные размеры

RQ3-P*

  1. = Монтажная поверхность с уплотнительными кольцами (OR): 2 OR тип 123, 1 OR тип 109.
  2. = Винт регулировки давления с шестигранной головкой: гаечный ключ 13. Для увеличения давления вращать по часовой стрелке.
  3. = Отверстие присоединения манометра 3/8" BSP.

РЕКОМЕНДУЕМЫЕ КРЕПЕЖНЫЕ ВИНТЫ: 4 винта М12х40. Момент затяжки: 69 Нм.

МОНТАЖНАЯ ПОВЕРХНОСТЬ: ISO 6264-06-09-*-97 (CETOP 4.4.2-2-R06-350).

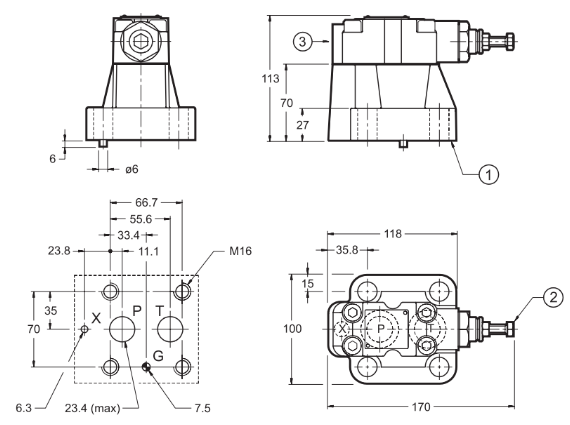
RQ5-P*

  1. = Монтажная поверхность с уплотнительными кольцами (OR): 2 OR тип 3118, 1 OR тип 109
  2. = Винт регулировки давления с шестигранной головкой: гаечный ключ 13. Для увеличения давления вращать по часовой стрелке
  3. = Отверстие присоединения манометра 3/8" BSP.

РЕКОМЕНДУЕМЫЕ КРЕПЕЖНЫЕ ВИНТЫ: 4 винта М16х50. Момент затяжки: 170 Нм

МОНТАЖНАЯ ПОВЕРХНОСТЬ: ISO 6264-08-13-*-97 (CETOP 4.4.2-2-R08-350).

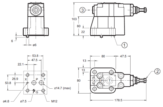
RQ7-P*

  1. = Монтажная поверхность с уплотнительными кольцами (OR): 2 OR тип 4137, 1 OR тип 109.
  2. = Винт регулировки давления с шестигранной головкой: гаечный ключ 13. Для увеличения давления вращать по часовой стрелке.
  3. = Отверстие присоединения манометра 3/8" BSP. 

РЕКОМЕНДУЕМЫЕ КРЕПЕЖНЫЕ ВИНТЫ: 4 винта М18х60. Момент затяжки: 235 Нм

МОНТАЖНАЯ ПОВЕРХНОСТЬ: ISO 6264-10-17-*-97 (CETOP 4.4.2-2-R10-350).

Технические характеристики RQ3-P*, RQ5-P*, RQ7-P*

Параметры Клапан RQ3-P* Клапан RQ5-P* Клапан RQ7-P*
Максимальное рабочее давление бар 350
Максимальный расход рабочей жидкости л/мин 200 400 500
Диапазон температур рабочей жидкости °C -20...+80
Рекомендуемая вязкость рабочей жидкости сСт 25
Класс чистоты рабочей жидкости - Класс 20/18/15 по ISO 4406:1999
Материал применяемых уплотнений - NBR
Масса клапана не более кг 3,5 4,3 6,5

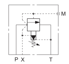
Гидросхема клапанов RQ3-P*, RQ5-P*, RQ7-P*

Структура условного обозначения RQ3-P*, RQ5-P*, RQ7-P*

Назад к списку