Вы здесь

Предохранительные перепускные клапаны RM2-W и RM3-W 

Клапаны RM2-W* и RM3-W* являются перепускными предохранительными клапанами с резьбовыми присоединительными отверстиями, предназначенными для панельного монтажа с креплением кольцевой гайкой.

Эти клапаны доступны в двух размерах: RM2-W* прямого действия, рассчитанный на расход до 50 л/мин, и RM3-W* с пилотным управлением, поддерживающий расход до 75 л/мин.

Клапаны RM2-W* и RM3-W* оснащены регулировочным винтом с потайной шестигранной головкой, стопорной гайкой и ограничителем максимального регулирования.

 

Гидравлические схемы гидроклапанов RM2-W*, RM3-W*

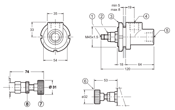
Габаритные размеры RM2-W и RM3-W

  1. Регулировочный винт с потайной шестигранной головкой: шестигранный ключ 6 (RM2-W*) шестигранный ключ 5 (RM3-W*). Для увеличения давления вращать по часовой стрелке.
  2. Стопорная гайка: шестигранный ключ 19 (RM2-W*), шестигранный ключ 17 (RM3-W*).
  3. Кольцевая гайка для фланцевого крепления типа SKF KM9.
  4. Выпускное отверстие 1/2" BSP. 5 = Напорное отверстие: 3/8" BSP (RM2-W*), 1/2" BSP (RM3-W*).
  5. Регулировочная ручка типа M1 (RM3-W*).
  6. Регулировочная ручка типа K (RM2-W*).
  7. Стопорное кольцо.

Технические характеристики RM2-W и RM3-W

Параметры Клапан RM2-W* Клапан RM3-W*
Максимальное рабочее давление бар 350
Максимальный расход рабочей жидкости л/мин 50 75
Диапазон температур рабочей жидкости °C -20...+80
Рекомендуемая вязкость рабочей жидкости сСт 25
Класс чистоты рабочей жидкости - Класс 10 по NAS 1638
Материал применяемых уплотнений - NBR
Масса клапана не более кг 0,9

Структура условного обозначения RM2-W*, RM3-W*

Назад к списку