Вы здесь
Клапаны разгрузки RQA5-P*, RQA7-P*, RQR3-P*, RQR5-P*, RQR7-P*
Клапаны RQA5-P*, RQA7-P*, RQR3-P*, RQR5-P*, и RQR7-P* объединяют в себе функции перепускных и предохранительных клапанов с дополнительной возможностью безнапорной разгрузки насоса при достижении установленного давления.
Для выполнения этой функции необходим гидроаккумулятор, который поддерживает давление в системе.
Обратный клапан в этих моделях предотвращает утечку давления из гидроаккумулятора, когда клапан находится в открытом состоянии.
Данные клапаны оснащены уравновешенным золотником в главной ступени и имеют широкие проходы для больших потоков, что способствует снижению перепадов давления.
Рабочий цикл изменения давления
Гидравлические схемы клапанов RQR3-P*, RQR5-P*, RQR7-P*, RQA5-P*, RQA7-P*
Габаритные размеры
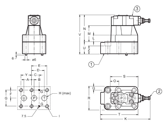
RQR3-P*
- = Монтажная поверхность с уплотнительными кольцами (OR): 2 OR типа 123, 1 OR типа 109.
- = Винт регулировки давления с шестигранной головкой: гаечный ключ на 13. Для увеличения давления вращать по часовой стрелке.
- = Отверстие Y внешнего дренажа 1/8" NPT.
РЕКОМЕНДУЕМЫЕ КРЕПЕЖНЫЕ ВИНТЫ: 4 винта М12х40. Момент затяжки: 69 Нм.
МОНТАЖНАЯ ПОВЕРХНОСТЬ: ISO 6264-06-09-*-97 (CETOP 4.4.2-2-R06-350)
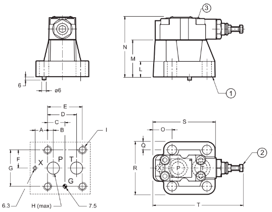
RQR5-P*, RQR7-P*
- = Монтажная поверхность с уплотнительными кольцами (OR): RQR5: 2 OR типа 3118, 1 OR типа 109. RQR7: 2 OR типа 4137, 1 OR типа 109.
- = Винт регулировки давления с шестигранной головкой: гаечный ключ на 13. Для увеличения давления вращать по часовой стрелке.
- = Отверстие Y внешнего дренажа 1/8" NPT.
РЕКОМЕНДУЕМЫЕ КРЕПЕЖНЫЕ ВИНТЫ:
- RQR5: 4 винта М16х50. Момент затяжки: 170 Нм.
- RQR7: 4 винта М18х60 Момент затяжки: 235 Нм
МОНТАЖНАЯ ПОВЕРХНОСТЬ: RQR5: ISO 6264-08-13-*-97 (CETOP 4.4.2-2-R08-350) RQR7: ISO 6264-10-17-*-97 (CETOP 4.4.2-2-R10-350)
Монтажная поверхность | A | B | C | D | E | F | G | ØH | I | L | M | N | O | Q | R | S | T | |
RQR5-P | ISO 6264-08-13-*-97 (CETOP 4.4.2-2-R08-350) | 23.8 | 11.1 | 33.4 | 55.6 | 66.7 | 35 | 70 | 23.4 | M16 | 27 | 70 | 113 | 35.8 | 15 | 100 | 118 | 170 |
RQR7-P | ISO 6264-10-17-*-97 (CETOP 4.4.2-2-R10-350) | 31.8 | 12.7 | 44.5 | 76.2 | 88.9 | 41.3 | 82.6 | 32 | M18 | 35 | 80 | 123 | 44.1 | 18.7 | 120 | 152 | 180 |
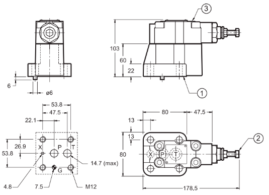
RQA5-P*, RQA7-P*
- = Монтажная поверхность с уплотнительными кольцами (OR): RQA5: 3 OR типа 3118. RQA7: 3 OR типа 4137.
- = Винт регулировки давления с шестигранной головкой: гаечный ключ на 13. Для увеличения давления вращать по часовой стрелке.
- = Отверстие Y внешнего дренажа 1/8" NPT.
РЕКОМЕНДУЕМЫЕ КРЕПЕЖНЫЕ ВИНТЫ:
- RQA5: 4 винта М16х100 2 винта М16х55 Момент затяжки: 170 Нм .
- RQA7: 4 винта М18х130 2 винта М18х70 Момент затяжки: 235 Нм
Модель | A | B | C | D | E | F | G | ØH | I | Y | L | M | N | O | Q | R | S | T | U | V | Z |
RQA5-P | 33.3 | 11.1 | 33.4 | 55.6 | 66.7 | 35 | 70 | 23.4 | M16 | 46 | 27 | 70 | 113 | 35.8 | 15 | 100 | 118 | 160 | 50 | 163 | 33.5 |
RQA7-P | 38 | 12.7 | 44.5 | 76.2 | 88.9 | 41.3 | 82.6 | 32 | M18 | 50.8 | 35 | 80 | 123 | 44.1 | 18.7 | 120 | 152 | 218 | 66 | 189 | 48 |
Технические характеристики RQR3-P*, RQR5-P*, RQR7-P*, RQA5-P*, RQA7-P*
Параметры | Клапан RQR3-P* | Клапан RQR5-P* | Клапан RQR7-P* | Клапан RQA5-P* | Клапан RQA7-P* | |
Максимальное рабочее давление | бар | 350 | 320 | |||
Максимальный расход рабочей жидкости | л/мин | 200 | 400 | 500 | 400 | 500 |
Рекомендуемая фильтрация | мкм | 25 | ||||
Рекомендуемая вязкость рабочей жидкости | сСт | 25 | ||||
Температура рабочей жидкости | °C | -20...+80 | ||||
Материал применяемых уплотнений | - | NBR | ||||
Масса клапана | кг | 3,5 | 4,3 | 6,5 | 10,4 | 19,0 |