Вы здесь

Гидроклапан редукционный модульного монтажа КРМ 6/3 

Гидроклапаны КРМ6/3В1Р, КРМ6/3В2Р, КРМ6/3В3Р и КРМ6/3В4Р модульного монтажа предназначены для поддержания давления в отводимом потоке рабочей жидкости ниже, чем в подводимом.

Эти клапаны КРМ-6/3 создают и поддерживают нужное давление в гидросистеме, которое ниже давления источника. Они упрощают проектирование трубопроводов, уменьшают их количество и способствуют модернизации существующего оборудования, сохраняя основные параметры гидросистемы.

Гидроклапаны КРМ6/3 применяются в гидроприводах прессов, станков, литейных и литьевых машин, мобильной техники и других гидрофицированных системах.

Клапаны КРМ6/3 работают с минеральными маслами с кинематической вязкостью 10…50 сСт и фильтрацией не грубее 25 мкм. Рекомендуемый диапазон температуры масла в гидросистеме составляет от +20 до +50 °С. Клапаны имеют модульное подключение.

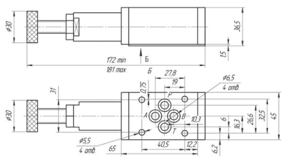
Габаритные размеры КРМ 6/3

Технические характеристики КРМ 6/3

Параметр Значение
КРМ-6/3В1Р
(КРМ-6/3Р1Р)
КРМ-6/3В2Р
(КРМ-6/3Р2Р)
КРМ-6/3В3Р
(КРМ-6/3Р3Р)
КРМ-6/3В4Р
(КРМ-6/3Р4Р)
Диапазон давления на входе, МПа 0,5...31,5 1,0...31,5 1,0...31,5
Диапазон регулировки давления, бар 8...70 35...140 70...250 100...315
Диапазон расхода рабочей жидкости, дм³/с 0...0,33
Максимальные внутренние утечки, см³/с 500
Время нарастания давления после прекращения разгрузки, с 0,2
Масса клапана, кг 1,0

Зависимость давления р от расхода Q

Структура условного обозначения клапана КРМ6/3

Назад к списку