Вы здесь
Гидроклапаны редукционные 1Р203АЛ-200, 2Р203АЛ-200
Гидроклапаны редукционные 1Р203АЛ-200, 2Р203АЛ-200 применяются в составе гидрораспределителей 1Р203, 2Р203, 1Р323, 2Р323 для настройки давления управления.
Выпускаемые гидроклапаны 1Р203.АЛ.200, 2Р203.АЛ.200 имеют климатические исполнения: УХЛ4, ХЛ1, О2, О4 по ГОСТ 15150.
Габаритные размеры
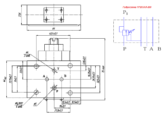
1Р203АЛ-200 (Ду=6 мм)
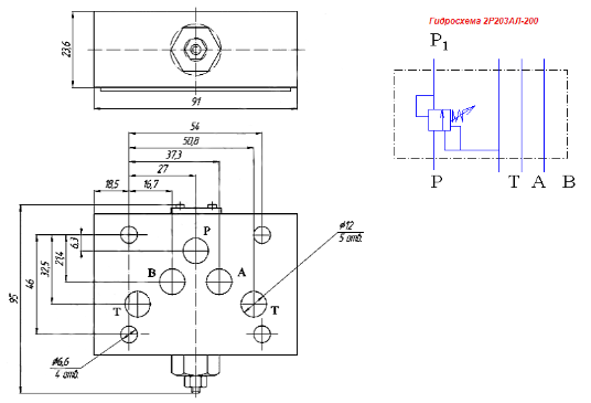
2Р203АЛ-200 (Ду=10 мм)
Технические характеристики
Параметры | Клапан 1Р203АЛ-200 | Клапан 2Р203АЛ-200 |
Условный проход, мм | 6 | 10 |
Давление настройки, МПа | 15...18 | |
Номинальное давление на входе, МПа | 32 | |
Масса клапана, кг | 0,5 | 0,75 |