Вы здесь
Гидроклапаны редукционные HG, KG, JPG
Редукционные гидроклапаны золотникового типа серий HG, KG и JPG предназначены для поддержания и снижения давления в гидросистеме до заданного уровня.
Эти клапаны предназначены для работы с минеральными маслами или синтетическими жидкостями, которые обладают схожими смазывающими свойствами
В стандартной модели регулировка давления осуществляется путем ослабления контргайки и вращения регулировочного винта (4).
По запросу доступна версия с регулировочной рукояткой (5). Вращение рукоятки по часовой стрелке увеличивает давление. Монтажная поверхность клапана соответствует стандарту ISO 4401.
- Клапаны HG-031, HG-033, HG-034 - 3 -х линейные клапаны прямого действия, Ду=6 мм;
- Клапаны KG-031, KG-033, KG-034 - двухкаскадные 3-х линейные клапаны, Ду=10 мм;
- Клапаны JPG-211 - двухкаскадные 3-х линейные клапаны, Ду=16 мм;
- Клапаны JPG-311 - двухкаскадные 3-х линейные клапаны, Ду=25 мм.
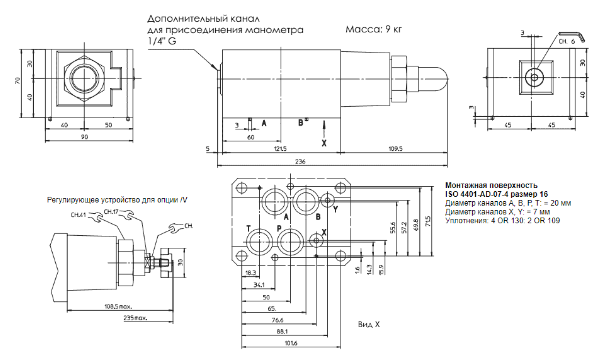
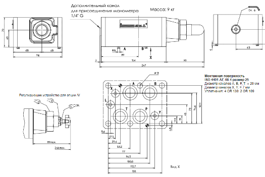
Габаритные размеры HG, KG, JPG
HG-031/100 (32, 50, 75, 210) / V(VS), HG-033/50 (32, 75, 100, 210) / V(VS) HG-034/210 (32, 50, 75, 100) / V(VS)
KG-031/100(210)/V, KG-033/210(100)/V, KG-034/100(210)/V
PG-211/100 / V, JPG-211/210 / V
JPG-311/100 / V, JPG-311/210 / V
Технические характеристики HG, KG, JPG
Положение при монтаже | Любое. Замечание: JPG не может совместно работать с распределителями, имеющими устройство гидроцентрирования золотника (/M) т. к. JPG не имеет дренажного канала L |
Характеристика стыковочной поверхности | Шерохова тость Ra=0,4, неплоскостность 0,01 /100 (ISO 1101) |
Температура окружающей среды | от -20°С до + 70°С. |
Рабочая жидкость | Гидравлическое масло по DIN 51524...535 ; другие типы жидкостей см. раздел [ 2 ] |
Рекомендуемая вязкость | 15÷100 сСт при 40°С (ISO VG 15÷100) |
Класс чистоты рабочей жидкости | ISO 19/16, достигается при тонкости фильтрации 25 мкм и рекомендуемом β≥75 |
Температура рабочей жидкости | от -20°С до +60°С (стандартные и /WG уплотнения); от -20°С до +80° (уплотнения /РЕ) |
Графики Q/ΔP для различных вариантов золотников
для клапанов HG-03* (Ду = 6 мм)
для клапанов KG-03* (Ду = 10 мм)
для клапанов JPG-211 (Ду = 16 мм)
для клапанов JPG-311 (Ду = 25 мм)
Гидравлические характеристики модульных клапанов
Модель клапана | Клапан HG-031/32 HG-033/32 HG-034/32 |
Клапан HG-031/50 HG-033/50 HG-034/50 |
Клапан HG-031/75 HG-033/75 HG-034/75 |
Клапан HG-031/100 HG-033/100 HG-034/100 |
Клапан HG-031/210 HG-033/210 HG-034/210 |
Клапан KG-031/100 KG-033/100 KG-034/100 |
Клапан KG-031/210 KG-033/210 KG-034/210 |
Клапан JPG-211/100 | Клапан JPG-211/210 | Клапан JPG-311/100 | Клапан JPG-311/210 |
Макс. расход (л/мин) | 50 | 100 | 250 | 300 | |||||||
Диапазон давлений (бар) | 3 ÷ 32 | 2 ÷ 50 | 10 ÷75 | 20 ÷100 | 50 ÷ 210 | 7 ÷100 | 8 ÷ 210 | 6 ÷ 100 | 70÷ 210 | 6 ÷ 100 | 70÷ 210 |
Макс. входное давление (бар) | 350 | 315 | 315 | 315 | |||||||
Макс. входное давление в канале Т (бар) |
160 | 160 | 160 | 160 |