Вы здесь

Гидроклапаны редукционные MRLP-03, MRLA-03, MRLB-03 (Ду=10 мм) 

Гидроклапаны MRLP-03-10, MRLA-03-10 и MRLB-03-10 представляют собой редукционные клапаны низкого давления (от 0,2 до 6,5 МПа) в модульном исполнении с монтажной поверхностью, соответствующей стандартам CETOP 05 и ISO (с диаметром Ду=10 мм).

Эти редукционные клапаны MRLP(A,B)-03... предназначены для настройки давления в одной из линий A, B или P на заданное значение в пределах низкого давления. Они также имеют возможность подключения манометра (1/4" или 1/8").

Конфигурации

  • Конфигурация «MRLP»: клапаны MRLP-03-10 позволяют настроить давление в линии P.
  • Конфигурация «MRLA»: клапаны MRLA-03-10 позволяют настроить давление в линии A.
  • Конфигурация «MRLB»: клапаны MRLB-03-10 позволяют настроить давление в линии B.

Устройство редукционных клапанов MRLP-03, MRLA-03, MRLB-03

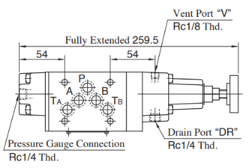
Габаритные размеры MRLP-03, MRLA-03, MRLB-03

MRLP-03 и MRLB-03

MRLA-03

Технические характеристики MRLP-03, MRLA-03, MRLB-03

Максимальное рабочее давление бар 70
Максимальный расход в магистралях регулируемого расхода л/мин 50
Возможность установки манометра + 1/4"
Рабочая температура жидкости °C -20...+80
Температура окружающей среды °C -20...+50
Вязкость жидкости сСт 10...400
Рекомендуемая вязкость сСт 35
Допустимый уровень загрязнения жидкости Класс 5/6 по NAS 1638
Масса клапана не более кг 4,5

Схемы работы клапанов MRLP-03, MRLA-03, MRLB-03

Структура обозначения и параметры клапанов MRLP-03, MRLA-03, MRLB-03

Назад к списку