Вы здесь

Гидроклапаны редукционные MRP-01, MRA-01, MRB-01 (Ду=6 мм) 

Гидроклапаны редукционные модульного монтажа MRP-01, MRA-01, MRB-01 (с диаметром Ду=6 мм) выполнены в модульном исполнении с монтажной поверхностью, соответствующей стандартам CETOP 03 и ISO.

Эти редукционные клапаны MRP(A,B)-01... используются для настройки давления в одной из линий A, B или P на заданное значение. Также предусмотрена возможность подключения манометра.

Конфигурации

  • Конфигурация «MRP»: клапаны MRP-01-B(C,H)-30 позволяют настроить давление в линии P.
  • Конфигурация «MRA»: клапаны MRA-01-B(C,H)-30 позволяют настроить давление в линии A.
  • Конфигурация «MRB»: клапаны MRB-01-B(C,H)-30 позволяют настроить давление в линии B.

Устройство редукционных клапанов MRP-01, MRA-01, MRB-01

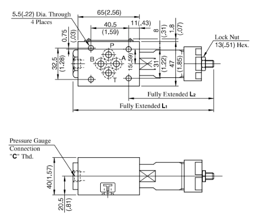
Габаритные размеры MRP-01, MRA-01, MRB-01 (Ду=6 мм)

Примечание: L1= не более 173,5 мм, L2= не более 107,5 мм, С= 1/4" (для манометра).

Технические характеристики MRP-01, MRA-01, MRB-01 (Ду=6 мм)

Максимальное рабочее давление бар 315
Минимальное давление управления бар 2
Максимальный расход в магистралях регулируемого расхода л/мин 35
Возможность установки манометра + 1/4"
Рабочая температура жидкости °C -20...+80
Температура окружающей среды °C -20...+50
Вязкость жидкости сСт 10...400
Рекомендуемая вязкость сСт 35
Допустимый уровень загрязнения жидкости Класс 5/6 по NAS 1638
Масса клапана не более кг 1,1

Графическое обозначение клапанов MRP-01, MRA-01, MRB-01

Структура обозначения и параметры клапанов MRP-01, MRA-01, MRB-01

Назад к списку