Вы здесь

Гидроклапаны редукционные MZD2*, MZD3*, MZD4*, MZD5* (Ду=6 мм) 

Клапан редукционный MZD представляет собой трехлинейный редукционный клапан прямого действия золотникового типа. В его нормальном состоянии он обычно открыт, и гидравлическая жидкость свободно перемещается из магистрали P1 в магистраль P.

На золотник воздействует давление из магистрали P с одной стороны и регулировочная пружина с другой. Когда давление в магистрали P превышает установленное значение, клапан закрывается до тех пор, пока давление в P (пониженное) не достигнет заданного уровня.

Конструкция клапана обеспечивает высокую чувствительность регулировки при низком дренажном стоке. Дренажный поток соединен с магистралью T внутри клапана.

Трехлинейная конструкция защищает вторичный контур от скачков давления, позволяя обратный поток из исполнительного механизма в сливную магистраль T.

Гидроклапаны редукционные модульного монтажа MZD2*, MZD3*, MZD4*, MZD5* (с диаметром Ду=6 мм) выполнены в модульном исполнении с отверстиями, соответствующими стандартам CETOP и ISO. Это позволяет легко и быстро смонтировать их с электромагнитными клапанами MD1D без использования труб.

Обычно клапан поставляется с регулировочным винтом с шестигранной головкой, но по запросу может быть оснащен регулировочной ручкой SICBLOC.

Конфигурации

  • MZD*: снижение давления в магистрали P, дренаж соединен с магистралью T.
  • MZD*/A и MZD*/RA: снижение давления в магистрали A перед исполнительным механизмом и максимальное давление в магистрали B, дренаж соединен с магистралью T.
  • MZD*/B и MZD*/RB: снижение давления в магистрали B перед исполнительным механизмом и максимальное давление в магистрали A, дренаж соединен с магистралью T.

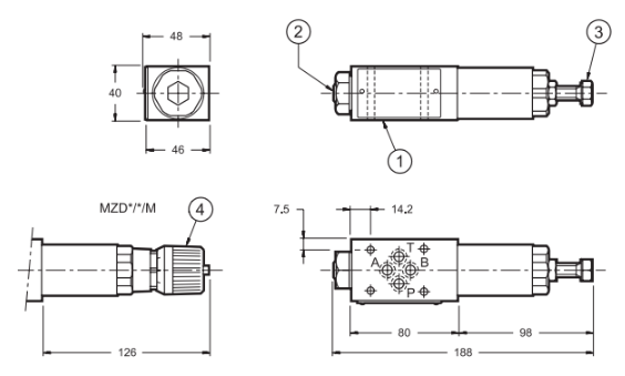
Габаритные размеры MZD

  1. Монтажная поверхность с уплотнительными кольцами (OR): 4 шт. типа OR2037
  2. Присоединительное отверстие манометра 1/4" BS
  3. Регулировочный винт с шестигранной головкой. Гаечный ключ 17. Для увеличения давления вращать по часовой стрелке
  4. Ручка SICBLOC. Для работы нажмите ее и одновременно вращайте.

Технические характеристики MZD

Модель Клапан MZD2* Клапан MZD3* Клапан MZD4* Клапан MZD5*
Максимальное рабочее давление бар 350
Диапазон настройки давления бар 3...35 10...70 30...140 50...280
Максимальный расход рабочей жидкости л/мин 40
Диапазон температур рабочей жидкости °C -20...+80
Рекомендуемая вязкость рабочей жидкости сСт 25
Класс чистоты рабочей жидкости - Класс 10 по NAS 1638
Масса клапана не более кг 1,5

Обозначение (гидросхема) клапанов редукционных MZD2*, MZD3*, MZD4*, MZD5*

Структура условного обозначения клапанов редукционных MZD

Назад к списку