Вы здесь

Гидроклапаны редукционные Z4M3*, Z4M4*, Z4M5*, Z4M6* (Ду=10 мм) 

Гидроклапаны редукционные модульного монтажа Z4M3*, Z4M4*, Z4M5*, Z4M6* (Ду=10 мм) предназначены для снижения давления и оснащены пилотным управлением. Они выполнены в модульном исполнении с монтажной поверхностью, соответствующей стандартам CETOP и ISO.

Эти гидроклапаны используются для регулирования давления в ответвлениях вторичного контура, обеспечивая стабильное давление даже при изменении расхода жидкости через клапан.

Доступно четыре варианта клапанов с разными диапазонами регулировки давления, до 320 бар.

Клапан Z4M* можно быстро установить вместе с направляющими клапанами DS5 и DL5B без необходимости дополнительных соединительных элементов.

Обычно клапан поставляется с регулировочным винтом с внутренней шестигранной головкой, стопорной гайкой и ограничителем максимального хода регулировки.

Конфигурации

  • Z4M*-I: снижение давления в магистрали P - дренаж соединен с магистралью T.
  • Z4M*-A: снижение давления в магистрали A и полное давление в магистрали B.
  • Z4M*-B: снижение давления в магистрали B и полное давление в магистрали A.

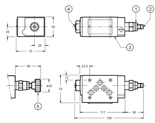
Габаритные размеры Z4M3*, Z4M4*, Z4M5*, Z4M6* (Ду=10 мм)

  1. Стопорная гайка: гаечный ключ 17 мм
  2. Регулировочный винт с внутренней шестигранной головкой: гаечный ключ 5 мм. Для увеличения давления вращать по часовой стрелке
  3. Монтажная поверхность с уплотнительными кольцами (типа OR2050 (5 шт.)
  4. Присоединительное отверстие манометра 1/4" BSP.
  5. Ручка регулировки: M1.

Технические характеристики Z4M3*, Z4M4*, Z4M5*, Z4M6* (Ду=10 мм)

Модель Клапан Z4M3* Клапан Z4M4* Клапан Z4M5* Клапан Z4M6*
Максимальное рабочее давление бар 350
Диапазон настройки давления бар 5...70 8...140 10...210 15...320
Максимальный расход рабочей жидкости л/мин 100
Диапазон температур рабочей жидкости °C -20...+80
Рекомендуемая вязкость рабочей жидкости сСт 25
Класс чистоты рабочей жидкости - Класс 10 по NAS 1638
Масса клапана не более кг 2,7

Обозначение (гидросхема) клапанов

Обозначение клапанов Z4M3-I(B,A)*, Z4M3-I(B,A)*, Z4M3-I(B,A)*, Z4M3-I(B,A)*

Назад к списку