Клапаны редукционные Z3-P5*, Z5-P5* 

Редукционные клапаны Z3-P5 и Z5-P5, с диапазоном регулировки давления до 210 бар (21 МПа), используются в случаях, когда необходимо поддерживать давление в каком-либо контуре гидросистемы ниже, чем в главной магистрали.

В своем нормальном открытом положении, эти клапаны пропускают поток рабочей жидкости, пока давление на выходе не достигнет установленного уровня. Как только достигается заданное давление, клапан закрывается и поддерживает его на постоянном уровне.

Изменения давления на входе, превышающие установленное значение, не влияют на поддерживаемое пониженное давление на выходе. Особая конструкция редукционных клапанов Z3-P5 и Z5-P5 обеспечивает защиту от превышения настроенного давления, даже в переходных режимах.

Слив происходит через дренажное отверстие, которое непосредственно соединено с баком, и составляет примерно 0,8 л/мин. По запросу заказчика возможно поставка клапанов Z3-P5 и Z5-P5 с пониженным расходом дренажа (0,4 л/мин).

Устройство клапанаZ3-P5 и Z5-P5

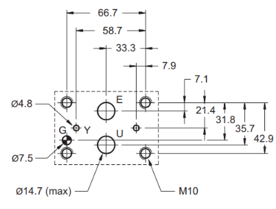
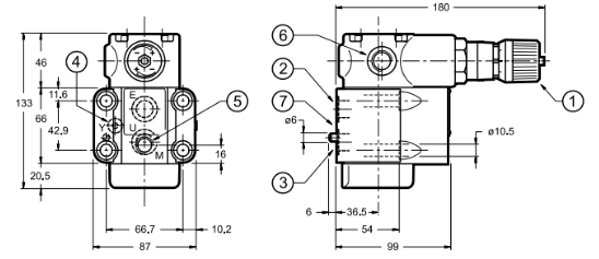
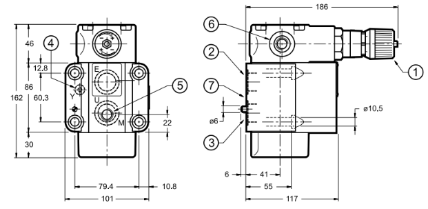
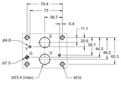
Габаритные размеры Z3-P5 и Z5-P5

Z3-P5

1 Регулировочная ручка SICBLOC. При использовании нажать и поворачивать одновременно.
2 Впускное отверстие
3 Выпускное отверстие
4 Внешнее дренажное отверстие
5 Отверстие присоединения манометра 1/4" NPT
6 Отверстие присоединения дополнительного дренажного патрубка;1/4" BSP
7 Монтажная поверхность с уплотнительными кольцами (OR):
2 OR тип 3068
2 OR тип 2021.

Монтажная поверхность: ISO 5781-06-07-*-00 (CETOP 4.4.5-2-06-250)

Z5-P5

1 Регулировочная ручка SICBLOC. При использовании нажать и поворачивать одновременно.
2 Впускное отверстие
3 Выпускное отверстие
4 Внешнее дренажное отверстие
5 Отверстие присоединения манометра 1/4" NPT
6 Отверстие присоединения дополнительного дренажного патрубка;1/4" BSP
7 Монтажная поверхность с уплотнительными кольцами (OR):
2 OR тип 3068
2 OR тип 2021.

Монтажная поверхность: ISO 5781-08-10-*-00 (CETOP 4.4.5-2-08-250)

Технические характеристики Z3-P5 и Z5-P5

Параметр Z3-P5 Z5-P5
Максимальное давление, бар 250 250
Максимальный расход, л/мин 40 110
Расход дренажа, л/мин для Z*-P 0,8
Расход дренажа, л/мин для Z*-P*R 0,4
Диапазон температур окружающей среды °C –20 ... +50
Диапазон температур жидкости °C –20 ... +80
Диапазон вязкостей жидкости, сСт 10...400
Рекомендуемая вязкость, сСт 25
Степень загрязнения жидкости Класс 20/18/15 по ISO 4406:1999
Масса, Кг 3,9 6,1

Структура условного обозначения редукционных клапанов Z3-P5, Z5-P5

Диаграммы характеристик (значения получены при вязкости 36 сантистокс (сСт) при 50°С)

Назад к списку